K8凯发国际

GHS38109系列高转速导电滑环
GHS38109系列高转速导电滑环
  • · 高速过孔导电滑环,整体精密导电滑环,内孔38.1mm,外径109mm,最高转速8000RPM。
  • · 采用先进的贵金属簇刷式多点接触,在极低的摩擦力下保证接触可靠。
  • · 标准化产品,有库存
  • · 镀金环+合金刷(镀金)

典型应用:

高速导电滑环的应用领域很多,比如雷达系统、高速转台/海工设备、舰艇系统/医疗设备/反应釜、旋转灯箱、奶制品生产设备、直升机、绕线机、坦克、智能动态玩具、水平镀铜生产线、游乐设施、路桥机械、机械手臂、旋转舞台、单晶炉、 手术灯、智能家电、圆形针织机、航空设备/热滚轮、旋转摄像机、雷达通讯设备、管内摄像机、盾构机、食品机械、加热转轴等;

型号订购说明:


技术规格参数
机械技术指标电气技术指标
参数数值参数数值
工作寿命3亿转功率信号
额定转速8000RPM额定电压0~690VAC/VDC0~440VAC/VDC
工作温度-30℃~80℃绝缘电阻≥1000MΩ/500VDC≥1000MΩ/500VDC
工作湿度0~85% RH导线规格AWG16#镀银铁氟龙AWG22#镀银铁氟龙
接触材料贵金属导线长度标准长度300mm(可据要求调整)
壳体材料铝合金绝缘强度500VAC@50Hz,60s
转动扭矩0.1N.m;+0.03N.m/6路动态电阻变化值<0.03Ω
防护等级IP51



GHS38109系列高速滑环选型表
型号10A信号或5A长度 L(mm)型号10A信号或5A长度 L(mm)
GHS38109-S020239.2GHS38109-P1210-S121212114
GHS38109-P02102039.2GHS38109-P1810-S06186114
GHS38109-S030342.6GHS38109-P2410240114
GHS38109-P03103042.6GHS38109-S30030134.4
GHS38109-S060652.8GHS38109-P0610-S24624134.4
GHS38109-P0210-S042452.8GHS38109-P1210-S181218134.4
GHS38109-P0410-S024252.8GHS38109-P1810-S121812134.4
GHS38109-P06106052.8GHS38109-P2410-S06246134.4
GHS38109-S1201273.2GHS38109-P3010300134.4
GHS38109-P0210-S1021073.2GHS38109-S36036157.8
GHS38109-P0310-S093973.2GHS38109-P0610-S30630157.8
GHS38109-P0610-S066673.2GHS38109-P1210-S241224157.8
GHS38109-P0810-S048473.2GHS38109-P3610360157.8
GHS38109-P1010-S0210273.2GHS38109-S42042180.2
GHS38109-P121012073.2GHS38109-P0610-S36636180.2
GHS38109-S1801893.6GHS38109-P1210-S301230180.2
GHS38109-P0210-S1621693.6GHS38109-S48048198.6
GHS38109-P0410-S1441493.6GHS38109-P0610-S42642202.8
GHS38109-P0610-S1261293.6GHS38109-P0910-S39939202.8
GHS38109-P0810-S1081093.6GHS38109-P1210-S361236202.8
GHS38109-P1010-S0810893.6GHS38109-P1810-S301830202.8
GHS38109-P1210-S0612693.6GHS38109-P2410-S242424202.8
GHS38109-P1410-S0414493.6GHS38109-S60060243.6
GHS38109-P1610-S0216293.6GHS38109-P0610-S54654243.6
GHS38109-S24024114GHS38109-P0910-S51951243.6
GHS38109-P0410-S20420114GHS38109-P1210-S481248243.6
GHS38109-P0610-S18618114GHS38109-S72072287.4

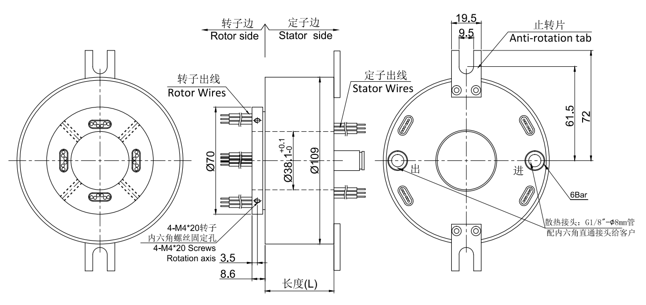
标准图纸

同系列更多产品参考:
获取产品3D图纸
X

经过多年的经验积累,K8凯发国际拥有20万多个产品3D图档数据库,
由于互联网的开放性和同行竞争,需要产品3D图档的客户请留下电子邮箱或者QQ。

审核完联系方式后,我们的系统将在5分钟内把3D自动发动到您的电子邮箱!