K8凯发国际

3进3出液压滑环
MAPH300S系列 (3进3出 气/液+电一体滑环)
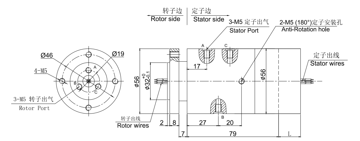
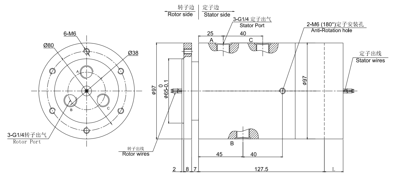
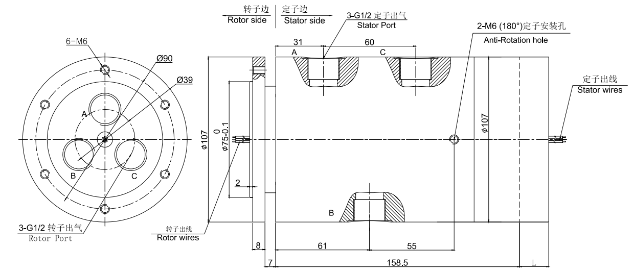
  • · MAPH300S 气/液+电 旋转接头,可通M5、G1/8、G1/4、G3/8、G1/2大小管径
  • · 且可以混合功率动力线、信号线、以太网、USB、工业总线、控制线、电磁阀、感应线等
  • · 标准为法兰安装形式,3进3出旋转接头,3路气液旋转接头可定制空心轴安装
  • · 能顺利获得的介质有: 压缩空气、氢气、氮气、化学混合气体、蒸汽、冷却水、热水、热油、石油、硫酸、饮料等

典型应用:

工业设备、工业展台、电气测试设备、医疗设备、机器人、测试仪器、转台、自动化设备等;

型号订购说明:

产品等级选型表
产品等级代号最高转速工作寿命密封件
VC(通用级)100RPM1000万转国内知名品牌密封件
VD(工业级)300RPM3000万转进口密封件

技术规格参数
旋转接头部分技术指标机械技术指标
参数数值参数数值
通道数3进3出工作寿命参考产品选型等级
最大压力10MPa (可定制高压),真空 0.01torr额定转速参考产品选型等级
扭矩与接口尺寸相关,详细咨询技术工作温度-30℃~80℃
电气技术指标工作湿度0~85% RH
参数数值接触材料贵金属
功率信号壳体材料铝合金
额定电压0~240VAC/VDC0~240VAC/VDC防护等级IP51
绝缘电阻≥1000MΩ/500VDC≥1000MΩ/500VDC
导线规格AWG28#镀锡铁氟龙AWG28#镀锡铁氟龙
导线长度标准长度300mm(可据要求调整)
绝缘强度500VAC@50Hz,60s
动态电阻变化值<0.01Ω



MAPH300S-XX 气液电一体滑环选型表
1)XX=01,接头大小=M5, 气管规格3~6mm 2)XX=02,接头大小=G1/8,气管规格3~10mm
3)XX=03,接头大小=G1/4,气管规格3~12mm 4)XX=04,接头大小=G3/8,气管规格3~16mm
5)XX=05,接头大小=G1/2,气管规格3~20mm
型号气(液)通道10A信号或5A电部分长度(L)见图纸(mm)
MAPH300S-XX-S063进3出0619
MAPH300S-XX-S123进3出01226
MAPH300S-XX-S183进3出01833
MAPH300S-XX-S243进3出02443.6
MAPH300S-XX-S363进3出03657.3
MAPH300S-XX-S563进3出05685.7

注:10A和信号(5A) 可以任意组合,最大可到96路,详细请咨询客服。3进3出旋转接头,3路气液旋转接头可在标准产品上进行非标定制,请咨询客服。

MAPH300S-01 尺寸图


MAPH300S-02 尺寸图


MAPH300S-03 尺寸图


MAPH300S-04 尺寸图


MAPH300S-05 尺寸图


同系列更多产品参考:
获取产品3D图纸
X

经过多年的经验积累,K8凯发国际拥有20万多个产品3D图档数据库,
由于互联网的开放性和同行竞争,需要产品3D图档的客户请留下电子邮箱或者QQ。

审核完联系方式后,我们的系统将在5分钟内把3D自动发动到您的电子邮箱!