K8凯发国际

ME2251系列 以太网滑环
ME2251系列 以太网滑环
  • · 1通道1000M 以太网+ 1~46 通道 功率/信号
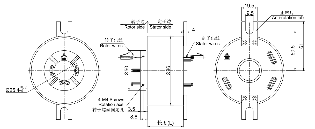
  • · ME2251系列1路以太网滑环,网线滑环,内孔25.4mm,外径为标准86mm的紧凑型整体式结构的1通道100M/1000M 以太网整体式精密导电滑环。
  • · 能混合传输功率电流,信号等!
  • · 具有传输稳定,不丢包,不串码,回损小,插入损耗小等优点。
  • · 美国军工镀层技术,贵金属+超硬镀金处理、超低的BER误码率和超高的信噪比。

典型应用:

工业机器加工中心、旋转工作台、重型设备塔台、电缆卷盘、包装设备、磁性离合器、工艺控制设备、旋转传感器、紧急照明设备、机器人、展览/显示设备、医疗设备、旋转门等;

型号订购说明:


产品等级表
产品等级代号最高转速工作寿命接触材料
VC(通用级)150RPM1000万转镀金-镀金
VD(工业级)600RPM2000万转金合金

技术规格参数
以太网部分技术指标机械技术指标
参数数值参数数值
1000M以太网1 路 1000M以太网工作寿命参考产品选型等级
接头RJ45额定转速参考产品选型等级
误码率BER10E-11工作温度-30℃~80℃
电气技术指标工作湿度0~85% RH
参数数值接触材料参考产品等级选型表
功率信号壳体材料铝合金
额定电压0~440VAC/VDC0~440VAC/VDC转动扭矩0.1N.m;+0.03N.m/6路
绝缘电阻≥1000MΩ/500VDC≥1000MΩ/500VDC防护等级IP51
导线规格AWG16#镀锡铁氟龙AWG22#镀锡铁氟龙
导线长度标准长度300mm(可据要求调整)
绝缘强度500VAC@50Hz,60s
动态电阻变化值<0.01Ω



ME2251单通道以太网滑环系列选型表
型号1000M
以太网
10A20A信号
或5A
长度 L
(mm)
型号1000M
以太网
10A20A信号
或5A
长度 L
(mm)
ME2251-S03100365.6ME2251-P0810-S071807106.4
ME2251-P0310130065.6ME2251-P1010-S0511005106.4
ME2251-P0420104086ME2251-S2110021126.8
ME2251-S09100986ME2251-P0410-S1714017126.8
ME2251-P0210-S07120786ME2251-P211012100126.8
ME2251-P0410-S05140586ME2251-S2710027150.2
ME2251-P0610-S03160386ME2251-P0610-S2116021150.2
ME2251-S1510015106.4ME2251-P0610-S5316033193.2
ME2251-P151011500106.4ME2251-S3910039193.2
ME2251-P0410-S1114011106.4ME2251-P0610-S4016040234
ME2251-P0610-S091609106.4ME2251-S4610046234

1)10A,20A,5A可根据自己的需要任何组合,需要2路以上网线请联系客服
2 ) N个10A 电流环并起来可作为1路N*10A电流环使用;比如: 2环10A 并起来做作为 1路20A 使用。

标准图纸
同系列更多产品参考:
获取产品3D图纸
X

经过多年的经验积累,K8凯发国际拥有20万多个产品3D图档数据库,
由于互联网的开放性和同行竞争,需要产品3D图档的客户请留下电子邮箱或者QQ。

审核完联系方式后,我们的系统将在5分钟内把3D自动发动到您的电子邮箱!