• K8凯发国际

    MFO107系列 光纤/光电滑环(光纤旋转接头)
    MFO107系列 光纤/光电滑环(光纤旋转接头)
    • · MFO107光纤滑环,光电组合滑环,同时能传输1路光纤和1~24路电气通路,全铝合金结构的整体式精密导电滑环。电气通路支持信号(5A),电压600VAC/VDC。光电旋转接头又称光电滑环,光电汇流环,采用光纤为数据传输媒体,为解决旋转连接的系统部件之间的数据传输,给予了最佳的技术解决方案。特别适合应用在需要无限制的, 陆续在或断续旋转,同时又需要从固定位置到旋转位置传送大容量数据、信号的场所,能改善机械性能,简化系统操作,避免因活动关节的旋转对出光纤的损害。可以与传统的电子汇流环配合使用,作成光电混合汇流环,传送功率和高速数据。

    典型应用:

    光纤/光电滑环是现在工业滑环里面技术难度最高的的一个系列产品,主要应用于360度陆续在旋转且需要保证电源,光纤信号不能中断的场合:如高端机器人、高端物料输送系统、军用车辆上的转动炮塔、远程控制系统、雷达天线、光纤传感等转台(速率台)的高速视频、数字、模拟信号的传输和控制、医疗系统、视频监视系统、保障国家或国际安全系统海底作业系统、紧急照明设备、机器人、展览/显示设备、医疗设备等;

    型号订购说明:

    技术规格参数
    指标名称类型
    单模(SM)多模(MM)
    带宽(nm)±50
    最大插入损耗,23℃(dB)1.20.7
    插入损耗波动(dB)0.60.4
    回波损耗(dB)≥55(不含接头)≥40(不含接头)
    最大输入功率(W)0.5
    重量(g)50
    最高转速(rpm)1000
    预估寿命>5亿转
    工作温度(℃)-45~85
    贮存温度(℃)-50~85

    机械技术指标电气技术指标
    参数数值参数数值
    工作寿命2000万转功率信号
    额定转速250RPM额定电压0~440VAC/VDC0~440VAC/VDC
    工作温度-30℃~80℃绝缘电阻≥200MΩ/300VDC≥200MΩ/300VDC
    工作湿度0~85% RH导线规格AWG22#镀锡铁氟龙AWG22#镀锡铁氟龙
    接触材料金-金导线长度标准长度300mm(可据要求调整)
    壳体材料铝合金绝缘强度500VAC@50Hz,60s
    转动扭矩0.1N.m;+0.03N.m/6路动态电阻变化值<0.01Ω
    防护等级IP51


    MFO107 - 1路光+电滑环选型表
    型号光纤通道10A信号或5A长度 L(mm)
    MFO107-S061通道0625.4
    MFO107-S121通道01239.2
    MFO107-S181通道01853
    MFO107-S241通道02466.8

    注:N个10A 电流环并起来可作为1路N*10A电流环使用;比如: 2环10A 并起来做作为 1路20A 使用。
    光电滑环,光电组合滑环可根据客户要求定制, 如有需要,请联系客服协助选型 。

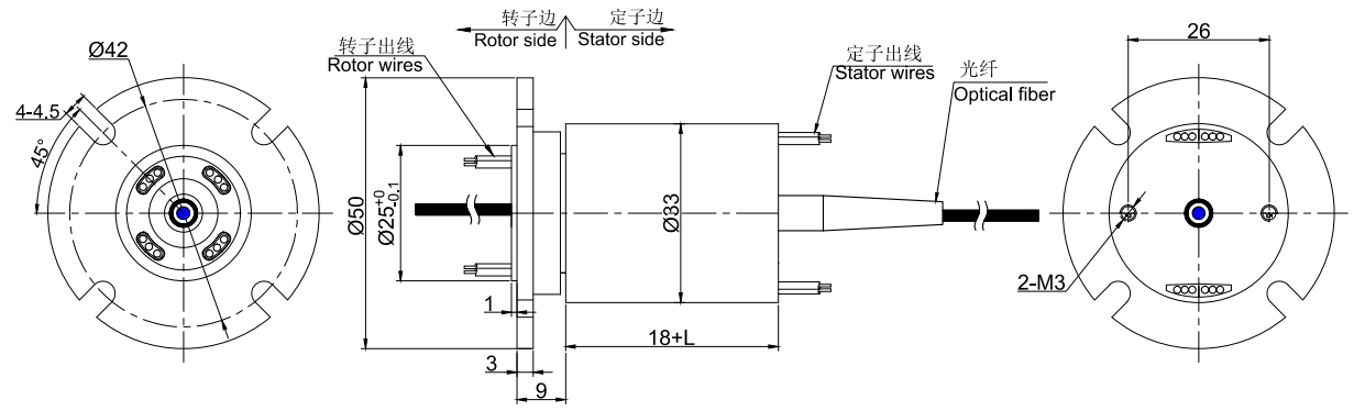
    标准图纸

    同系列更多产品参考:
    获取产品3D图纸
    X

    经过多年的经验积累,K8凯发国际拥有20万多个产品3D图档数据库,
    由于互联网的开放性和同行竞争,需要产品3D图档的客户请留下电子邮箱或者QQ。

    审核完联系方式后,我们的系统将在5分钟内把3D自动发动到您的电子邮箱!