K8凯发国际

MFS086系列 防水/水下 IP65,IP68 导电滑环
MFS086系列 防水/水下 IP65,IP68 导电滑环
  • · 水下IP68滑环,景观喷泉专用水下滑环专门为水下作业,防水作业而设计
  • · 工业级别产品,定子法兰,IP65、IP68防护等级
  • · 金-金接触,采用进口密封和军工级电镀处理
  • · 多点接触触点,出线采用防水格兰,电缆等
  • · 可根据可要要求定制

典型应用:

海底机器人滑环,水下潜艇专用滑环,水下音乐喷泉专用滑环,水下机器人滑环,海工滑环,农用机器专用滑环,森林作业设备滑环;

型号订购说明:


产品等级表
产品等级代号最高转速工作寿命接触材料
VC(通用级)200RPM1500万转贵金属
VD(工业级)600RPM8000万转镀金-镀金

技术规格参数
机械技术指标电气技术指标
参数数值参数数值
工作寿命参考产品选型等级功率信号
额定转速参考产品选型等级额定电压0~440VAC/VDC0~440VAC/VDC
工作温度-30℃~80℃绝缘电阻≥1000MΩ/500VDC≥1000MΩ/500VDC
工作湿度0~85% RH导线规格防水电缆防水电缆
接触材料参考产品选型等级导线长度标准长度300mm(可据要求调整)
壳体材料铝合金绝缘强度500VAC@50Hz,60s
转动扭矩1.0N.m;+0.03N.m/6路动态电阻变化值<0.01Ω
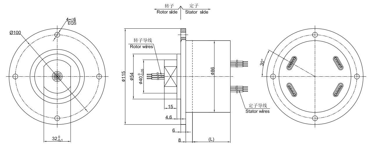
防护等级IP65



MFS086 滑环系列选型表
型号10A信号或5A长度 L(mm)型号10A信号或5A长度 L(mm)
MFS086-P06106045.2MFS086-S060645.2
MFS086-P0210-S04 2 445.2MFS086-P0410-S02 4 245.2
MFS086-P1210 12065.6MFS086-S120 1265.6
MFS086-P0210-S10 2 1065.6MFS086-P0410-08 4 865.6
MFS086-P06-S066 665.6MFS086-P0810-S04 8 465.6
MFS086-P1010-S02 10 265.6MFS086-S180 1886
MFS086-P1810 180 86MFS086-P0410-S14 4 1486
MFS086-P0210-S16 2 1686MFS086-P0810-S10 8 1086
MFS086-P0610-S126 1286MFS086-P1210-S06 12686
MFS086-P1010-S08 10 886MFS086-P1610-S02 16 286
MFS086-P1410-S04 14 486MFS086-S240 24106.4
MFS086-P24 240 106.4MFS086-P1210-S12 12 12106.4
MFS086-P0610-S186 18106.4MFS086-P0610-S24 6 24134
MFS086-P1810-S06 18 6106.4MFS086-S36 0 36150.2
MFS086-S30 0 30126.8MFS086-P1210-S24 12 24150.2
MFS086-P1210-S18 12 18126.8MFS086-P0610-S36 6 36170.6
MFS086-P0610-S306 30150.2MFS086-S48 0 48191
MFS086-S42 0 42170.6MFS086-P1210-S36 12 36191
MFS086-P1210-S30 12 30170.6MFS086-P0610-S54 6 54231.8
MFS086-P0610-S426 42191MFS086-S72 0 72275.6
MFS086-S60 0 60231.8MFS086-P1210-S60 12 60275.6
MFS086-P1210-S48 12 48231.8MFS086-P0610-S66 6 66275.6

注:N个10A 电流环并起来可作为1路N*10A电流环使用;比如: 2环10A 并起来做作为 1路20A 使用。

标准图纸
同系列更多产品参考:
获取产品3D图纸
X

经过多年的经验积累,K8凯发国际拥有20万多个产品3D图档数据库,
由于互联网的开放性和同行竞争,需要产品3D图档的客户请留下电子邮箱或者QQ。

审核完联系方式后,我们的系统将在5分钟内把3D自动发动到您的电子邮箱!