K8凯发国际

    MG086系列 定子法兰滑环
    MG086系列 定子法兰滑环
    • · MG086系列密导电滑环,电刷滑环是外径86mm的定子部分带连接法兰的一系列滑环的总称。
    • · 实心滑环,中心无通孔, 适用于定子法兰端面安装
    • · 可以实现更多的路数和更大的电流。
    • · 内部走线和特殊屏蔽模块设计方便,更稳定可靠。
    • · 通常此类产品用于定制各类敏感信号或者编码器信号。

    典型应用:

    工业机器加工中心、旋转工作台、重型设备塔台、电缆卷盘、包装设备、磁性离合器、工艺控制设备、旋转传感器、紧急照明设备、机器人、展览/显示设备、医疗设备、旋转门等;

    型号订购说明:


    产品等级表
    产品等级代号最高转速工作寿命接触材料
    VC(通用级)150RPM1500万转贵金属
    VD(工业级)600RPM8000万转镀金-镀金

    技术规格参数
    机械技术指标电气技术指标
    参数数值参数数值
    工作寿命参考产品选型等级功率信号
    额定转速参考产品选型等级额定电压0~440VAC/VDC0~440VAC/VDC
    工作温度-30℃~80℃绝缘电阻≥1000MΩ/500VDC≥1000MΩ/500VDC
    工作湿度0~85% RH导线规格AWG16#镀锡铁氟龙AWG22#镀锡铁氟龙
    接触材料参考产品选型等级导线长度标准长度300mm(可据要求调整)
    壳体材料铝合金绝缘强度500VAC@50Hz,60s
    转动扭矩0.1N.m;+0.03N.m/6路动态电阻变化值<0.01Ω
    防护等级IP51



    MG086系列滑环选型表
    型号10A信号或5A长度 L(mm)型号10A信号或5A长度 L(mm)
    MG086-S0202 31.6 MG086-P1210-S12 12 12 106.4
    MG086-P02102031.6MG086-P1810-S06 18 6106.4
    MG086-S0303 35 MG086-P2410 24 0 106.4
    MG086-P03103035MG086-S30 0 30 126.8
    MG086-S0606 45.2MG086-P0610-S24 6 24 126.8
    MG086-P0210-S042445.2MG086-P1210-S18 12 18 126.8
    MG086-P0410-S024245.2MG086-P1810-S12 18 12 126.8
    MG086-P06106045.2MG086-P2410-S06 24 6 126.8
    MG086-S12012 65.6MG086-P3010 30 0 126.8
    MG086-P0210-S1021065.6MG086-S36 0 36 147.2
    MG086-P0310-S093965.6MG086-P0610-S30 6 30 147.2
    MG086-P0610-S066665.6MG086-P1210-S24 12 24 147.2
    MG086-P0810-S048465.6MG086-P3610 36 0 147.2
    MG086-P1010-S0210265.6MG086-S42 0 42 167.6
    MG086-P121012065.6MG086-P0610-S36 6 36167.6
    MG086-S18018 86MG086-P1210-S30 12 30 167.6
    MG086-P0210-S1621686MG086-S48 0 48 188
    MG086-P0410-S1441486MG086-P0610-S42 6 42 188
    MG086-P0610-S1261286MG086-P0910-S39 9 39 188
    MG086-P0810-S1081086MG086-P1210-S36 12 36 188
    MG086-P1010-S0810 886MG086-P1810-S30 18 30 188
    MG086-P1210-S0612 686MG086-P2410-S24 24 24 188
    MG086-P1410-S04 14 486MG086-S60 0 60 238.8
    MG086-P1610-S02 16 286MG086-P0610-S546 54 238.8
    MG086-S24 0 24 106.4MG086-P0910-S51 9 51 238.8
    MG086-P0410-S20 4 20106.4MG086-P1210-S48 12 48 238.8
    MG086-P0610-S18 6 18106.4MG086-S720 72 289.6

    注:N个10A 电流环并起来可作为1路N*10A电流环使用;比如: 2环10A 并起来做作为 1路20A 使用。
    10A和信号(5A) 可以任意组合,详细请咨询客服。可在标准产品上进行非标定制,请咨询客服。

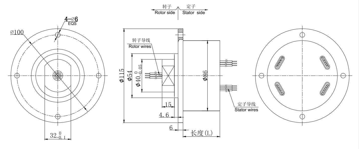
    标准图纸
    同系列更多产品参考:
    获取产品3D图纸
    X

    经过多年的经验积累,K8凯发国际拥有20万多个产品3D图档数据库,
    由于互联网的开放性和同行竞争,需要产品3D图档的客户请留下电子邮箱或者QQ。

    审核完联系方式后,我们的系统将在5分钟内把3D自动发动到您的电子邮箱!