K8凯发国际

  • MGP3系列 多功能流体旋转接头
  • MGP3系列 多功能流体旋转接头
MGP3系列 3通道多功能流体旋转接头
  • · 压力范围广,最大可达50MPa。
  • · 专业密封技术,适用于适用于真空和双向压力以及独立的流道。
  • · 可同时传输不同类型的介质,如传输压缩空气,真空,液压油,水,热水,冷
      却液,蒸汽等介质。
  • · MGP是最通用多功能旋转接头,规格型号多,适用于90%的应用场
      合。

典型应用:

工业机器加工中心、旋转工作台、重型设备塔台、电缆卷盘、包装设备、磁性离合器、工艺控制设备、旋转传感器、紧急照明设备、机器人、展览/显示设备、医疗设备、旋转门等;

型号订购说明:


产品等级选型表
产品等级代号最高转速工作寿命密封件
VC(通用级)100RPM600万转国内知名品牌密封件
VD(工业级)300RPM2000万转进口密封件

技术规格参数
机械技术指标旋转接头部分技术指标
参数数值参数数值
工作寿命参考产品选型等级通道数2,3,4,6,8通道
额定转速参考产品选型等级最大压力50MPa (可定制高压),真空 30HG
工作温度-30℃~80℃可过介质空气,真空,液压油,水,热水,冷却液,蒸汽等
工作湿度0~85% RH扭矩与接口尺寸相关,详见选型表
密封件参考产品等级选型表
壳体材料铝合金/钢
防护等级IP51



MGP3系列选型表
型号通道数接口尺寸内孔尺寸压力范围
MGP313进3出G1/8"N/A0-50MPa
MGP31-ID123进3出G1/8"12mm0-50MPa
MGP323进3出G1/4"N/A0-50MPa
MGP32-ID193进3出G1/4"19mm0-50MPa
MGP333进3出G3/8"N/A0-50MPa
MGP33-ID193进3出G3/8"19mm0-50MPa
MGP343进3出G1/2"N/A0-50MPa
MGP34-ID193进3出G1/2"19mm0-50MPa
MGP363进3出G3/4"N/A0-50MPa
MGP373进3出G7/8"N/A0-50MPa

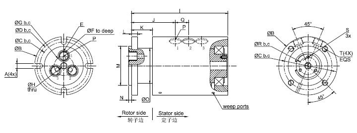
MGP3系列(多功能旋转接头)尺寸图

同系列更多产品参考:
获取产品3D图纸
X

经过多年的经验积累,K8凯发国际拥有20万多个产品3D图档数据库,
由于互联网的开放性和同行竞争,需要产品3D图档的客户请留下电子邮箱或者QQ。

审核完联系方式后,我们的系统将在5分钟内把3D自动发动到您的电子邮箱!