<dvjti class="ftesbn"></dvjti>

K8凯发国际

MKD43系列 (4通道 气/气电一体 旋转接头/滑环)
MKD43系列 (4通道 气/气电一体 旋转接头/滑环)
  • · MKD43系列是4进4出,端面走气,气/气电组合旋转接头,气电混合滑环, 带G3/8"牙
  • · 且可选同时顺利获得功率动力线,信号线,工业总线,控制线,
    电磁阀,感应线等
  • · 标准为法兰安装形式
  • · 能顺利获得的介质有: 压缩空气,真空等气体

典型应用:

此款气动旋转接头是一款扭力小,性价比超高的旋转接头(也叫气滑环或者气电), 速度最大可达600RPM, 可单独传输压缩空气,真空负压的同时,也同时能够传输电源信号,主要应用于360度陆续在旋转且需要保证气压,真空,电源,信号不能中断的场合:如各种自动化非标设备,锂电池设备,手机测试设备,手机高端装备设备,各种激光设备,涂布机 、涂覆隔膜设备 、软包电池用包装膜设备,邦定设备 、贴合设备,电子半导体工业自动化设备;光电平板显示(LCD/LCM/TP/OLED/PDP)工业自动化设备、检测设备、其他自动化非标专业设备等等。

技术规格参数
旋转接头部分技术指标机械技术指标
参数数值参数数值
通道数4进4出, G3/8"工作寿命1000万转以上
最大压力1MPa (可定制高压),真空 0.01torr额定转速500RPM
扭矩与接口尺寸相关,详见选型表工作温度-30℃~80℃
电气技术指标工作湿度0~85% RH
参数数值接触材料贵金属
功率信号壳体材料铝合金
额定电压0~440VAC/VDC0~440VAC/VDC防护等级IP51
绝缘电阻≥1000MΩ/500VDC≥1000MΩ/500VDC
导线规格AWG16#镀锡铁氟龙AWG22#镀锡铁氟龙
导线长度标准长度300mm(可据要求调整)
绝缘强度500VAC@50Hz,60s
动态电阻变化值<0.01Ω



MKD43(纯气动旋转接头) 尺寸图 4进4出G3/8"牙


选型表
型号气体通道接口尺寸可适应气管
MKD434G3/8"10~12mm


MKD43S-S12(S18,S24,S36) 尺寸图 4进4出G3/8"牙+12~36路信号(2A)


选型表
型号气体通道接口尺寸可适应气管信号或者2AL(mm)
MKD43S-S124G3/8"10~12mm1221
MKD43S-S184G3/8"10~12mm1828
MKD43S-S244G3/8"10~12mm2438.6
MKD43S-S364G3/8"10~12mm3652.3


MKD43S-S56 尺寸图 4进4出G3/8"牙


选型表
型号气体通道接口尺寸可适应气管信号或者2A长度
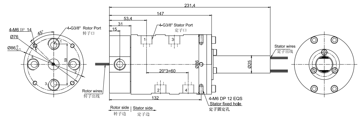
MKD43-S564G3/8"10~12mm56231.4


MKD43-PXX-SXX 尺寸图, 4进4出G1/8牙 + 信号(5A)/10A


选型表
型号气体通道接口尺寸可适应气管10A信号(5A)L(mm)
MKD43-P06104G3/8"10~12mm6045.2
MKD43-S064G3/8"10~12mm0645.2
MKD43-P12104G3/8"10~12mm12065.6
MKD43-P0610-S064G3/8"10~12mm6665.6
MKD43-S124G3/8"10~12mm01265.6
MKD43-P18104G3/8"10~12mm18086
MKD43-P0610-S124G3/8"10~12mm61286
MKD43-P1210-S064G3/8"10~12mm12686
MKD43-S184G3/8"10~12mm01886
MKD43-S244G3/8"10~12mm024106.4
MKD43-P0610-S184G3/8"10~12mm618106.4
MKD43-S304G3/8"10~12mm030126.8
MKD43-S364G3/8"10~12mm036150.2

备注:10A和信号(5A)可以任意组合,详情请咨询客服。

同系列更多产品参考:
获取产品3D图纸
X

经过多年的经验积累,K8凯发国际拥有20万多个产品3D图档数据库,
由于互联网的开放性和同行竞争,需要产品3D图档的客户请留下电子邮箱或者QQ。

审核完联系方式后,我们的系统将在5分钟内把3D自动发动到您的电子邮箱!