K8凯发国际

MP380系列 扁平盘式滑环
MP380系列 扁平盘式滑环
  • · MP380系列内径80mm 可分体式盘式滑环,改造设备专用滑环,全铝合金结构,接触材料采用贵金属+超硬镀金处理,运转稳定,电阻波动小。主要应用在高度空间有限,横向空间基本不受限制的特殊空间要求。

典型应用:

扁平盘式滑环,主要应用对安装高度有严格限制的场合,要求360度陆续在旋转且需要保证电源,数字信号,模拟信号不能中断:如旋转门,医用CT,安检设备,以及其他工业自动化设备,智能制造设备, 焊接机器人等;

型号订购说明:

产品等级表
产品等级代号最高转速工作寿命接触材料
VC(通用级)60RPM300万转贵金属
VD(工业级)200RPM1000万转镀金-镀金

技术规格参数
机械技术指标电气技术指标
参数数值参数数值
工作寿命参考产品选型等级功率信号
额定转速参考产品选型等级额定电压0~440VAC/VDC0~240VAC/VDC
工作温度-30℃~80℃绝缘电阻≥1000MΩ/500VDC≥1000MΩ/500VDC
工作湿度0~85% RH导线规格AWG18#硅胶线AWG24#硅胶线
接触材料参考产品选型等级导线长度标准长度300mm(可据要求调整)
壳体材料铝合金绝缘强度500VAC@50Hz,60s
转动扭矩0.1N.m;+0.03N.m/6路动态电阻变化值<0.01Ω
防护等级IP51


MP380扁平盘式滑环选型表
型号信号或5A10A20A长度L(mm)
MP380-S0220018.2
MP380-P021002018.2
MP380-P0210-S0222024.6
MP380-P041004024.6
MP380-S0660031
MP380-P061006031
MP380-P062000631
MP380-P0210-S0442031
MP380-S12120050.2
MP380-P1210012050.2
MP380-P1220001250.2
MP380-P0610-S0666050.2
MP380-P0620-S0660650.2
MP380-S18180069.4
MP380-P1810018069.4
MP380-P0610-S12126069.4
MP380-P1210-S06612069.4
MP380-P0810-S10108069.4
MP380-S24240088.6
MP380-P2410024088.6
MP380-P0610-S18618088.6
MP380-P1210-S121212088.6

注:N个10A 电流环并起来可作为1路N*10A电流环使用;比如: 2环10A 并起来做作为 1路20A 使用。
内径80mm 可分体式盘式滑环,改造设备专用滑环内孔,路数以及电流大小可定制,请联系客服。

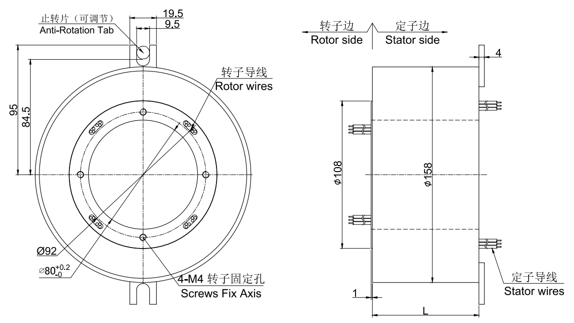
标准图纸

同系列更多产品参考:
获取产品3D图纸
X

经过多年的经验积累,K8凯发国际拥有20万多个产品3D图档数据库,
由于互联网的开放性和同行竞争,需要产品3D图档的客户请留下电子邮箱或者QQ。

审核完联系方式后,我们的系统将在5分钟内把3D自动发动到您的电子邮箱!