K8凯发国际

MSDI224系列 单通道高清HD-SDI滑环
MSDI224系列 单通道高清HD-SDI滑环
  • · MSDI224系列高清视频1080P滑环,高清监控滑环,支持1路HD-SDI高清信号(同轴电缆) + 12~30路信号(2A)同时传输,专门为高清视频信号1080P而设计研发的一款高端导电滑环. 最高速率可达3GHZ, 能混合1~30路信号和微小电流。
  • · 产品采用美国军工表面处理工艺,超硬金镀层处理,保证极低电阻波动和超长工作寿命。
  • · 主要用于传输中小型系统微弱控制信号,微弱电流。如视频,控制,传感,电源,以太网。
  • · 典型应用:高清安防监控,摄影摄像,高清摄像。

典型应用:

高清滑环是用于高清视频信号(包括1080P,4K或者8K)传输和通信的一款产品,主要应用于360度陆续在旋转且需要保证电源,高清,超高清视频信号不能中断的场合:如各种高端摄像车,电影拍摄设备,无人汽车,军用无人机吊舱,工业无人机吊舱,高清摄像头云台,球机等;

技术规格参数
高清旋转接头技术参数
参数数值参数数值
输入输出RG-179/U最大转速50RPM
寿命2亿转接头类型BNC/F
阻抗75 ohms额定电流直流1A(最大)
电气技术指标
参数数值
功率信号
额定电压0~440VAC/VDC0~440VAC/VDC
绝缘电阻≥200MΩ/300VDC≥200MΩ/300VDC
导线规格AWG28#镀锡铁氟龙AWG28#镀锡铁氟龙
导线长度标准长度300mm(可据要求调整)
绝缘强度500VAC@50Hz,60s
动态电阻变化值<0.01Ω
机械技术指标
参数数值
工作寿命1000万转
额定转速250RPM
工作温度-30℃~80℃
工作湿度0~85% RH
接触材料金-金
壳体材料铝合金
转动扭矩0.05N.m;+0.01N.m/6路
防护等级IP51



MSDI224 高清滑环选型表
型号HD-SDI高清通信速率信号(2A)外径*长度
MSDI2241通道 RG-179(75Ω)DC-3GHz24Φ32.8mm*46.71mm

注:N个2A 电流环并起来可作为1路N*2A电流环使用;比如: 2环2A 并起来做作为 1路4A 使用。

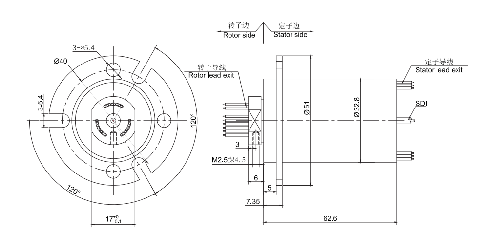
标准图纸

同系列更多产品参考:
获取产品3D图纸
X

经过多年的经验积累,K8凯发国际拥有20万多个产品3D图档数据库,
由于互联网的开放性和同行竞争,需要产品3D图档的客户请留下电子邮箱或者QQ。

审核完联系方式后,我们的系统将在5分钟内把3D自动发动到您的电子邮箱!