K8凯发国际

MSE1086系列 伺服电机编码器导电滑环
MSE1086系列 伺服电机编码器导电滑环
  • · MSE1086系列 伺服编码器滑环专门为安川,松下,三菱,西门子伺服电机而设计的伺服编码器滑环,性能稳定,非常
  • · 可靠,6年现场使用经验,无报警,停机等情况。
  • · 可混合其他开关信号和功率线, 总线如Profibus,Profinet...可混合其他气液旋转接头.
  • · 内部走线和特殊屏蔽模块设计,可完全杜绝编码器报错误码.金-金接触,可靠性极高,
  • · 多年西门子/海德汉大型控制系统使用经验

典型应用:

主要用于国内外各种伺服系统:如日本的安川,松下,三菱,德国西门子伺服电机,法国施耐德伺服电机,德国伦茨伺服电机,奥地利贝加莱伺服电机,Keba伺服电机,以色列Fagor伺服电机,德国倍福伺服电机,Elmo伺服电机,美国的AB伺服电机,瑞诺伺服电机,以及中国的台达伺服电机、东元伺服电机、深圳汇川伺服电机、华中数控伺服电机、乐创伺服电机、广泰数控等;

型号订购说明:


产品等级表
产品等级代号最高转速工作寿命接触材料
VC(通用级)150RPM1500万转贵金属
VD(工业级)1000RPM6000万转镀金-镀金

技术规格参数
机械技术指标电气技术指标
参数数值参数数值
工作寿命参考产品选型等级功率信号
额定转速参考产品选型等级额定电压0~440VAC/VDC0~440VAC/VDC
工作温度-30℃~80℃绝缘电阻≥1000MΩ/500VDC≥1000MΩ/500VDC
工作湿度0~85% RH导线规格动力线AWG#166芯屏蔽电缆或AWG#22
接触材料参考产品选型等级导线长度标准长度300mm(可据要求调整)
壳体材料铝合金绝缘强度500VAC@50Hz,60s
转动扭矩0.1N.m;+0.03N.m/6路动态电阻变化值<0.01Ω
防护等级IP51



MSE1086系列-伺服电机编码器滑环选型表
型号动力电缆(4芯,每芯10A)编码器控制电缆(6芯带屏蔽)其他信号或5A长度L(mm)
MSE1086-0111065.6
MSE1086-01-S0611686
MSE1086-01-S121112106.4
MSE1086-02220106.4
MSE1086-02-S06226126.8
MSE1086-02-S122212147.2
MSE1086-03330126.8
MSE1086-03-S06336147.2
MSE1086-03-S123312167.6
MSE1086-04440167.6
MSE1086-04-S06446188
MSE1086-04-S124412208.4

注:N个5A 电流环并起来可作为1路N*5A电流环使用;比如: 2环5A 并起来做作为 1路10A 使用。
没有合适的标准型号,请联系客服。模块化设计, 伺服编码器滑环可根据客户要求增加或减少电路数

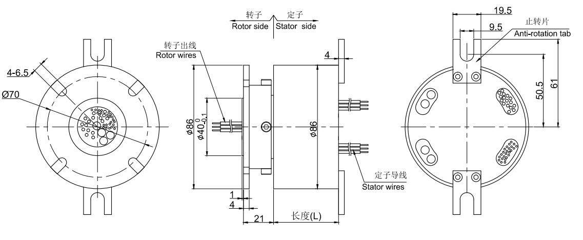
标准图纸
同系列更多产品参考:
获取产品3D图纸
X

经过多年的经验积累,K8凯发国际拥有20万多个产品3D图档数据库,
由于互联网的开放性和同行竞争,需要产品3D图档的客户请留下电子邮箱或者QQ。

审核完联系方式后,我们的系统将在5分钟内把3D自动发动到您的电子邮箱!