K8凯发国际

MT2586系列 标准整体式精密导电滑环
MT2586系列 标准整体式精密导电滑环
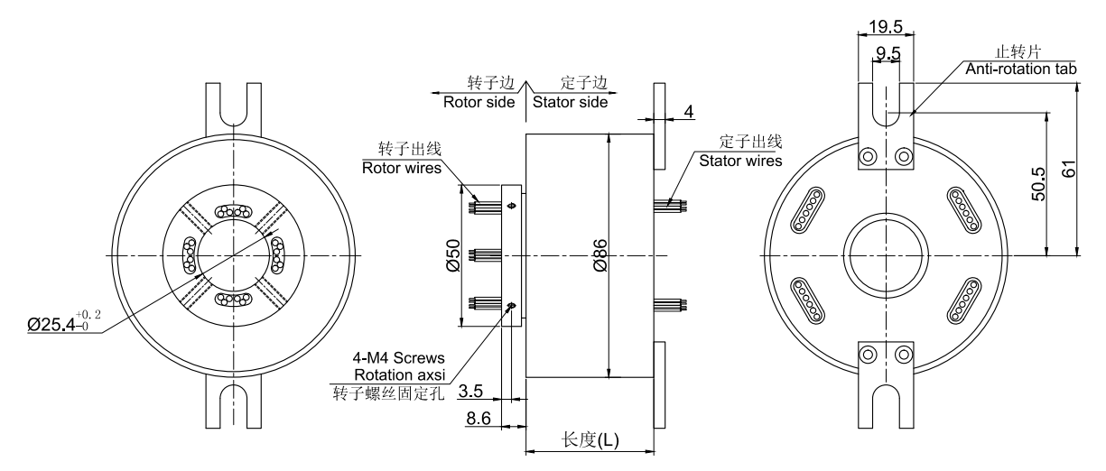
  • · 外径86mm, 通孔直径为25.4mm(适用于<=25.4mm)的标准系列整体式精密导电滑环。*注意:如需<25.4mm的内孔,可顺利获得加内衬轴套解决。
  • · 标准化产品,有库存
  • · 镀金环+合金刷(镀金)
  • · 支持信号,功率混合传输
  • · 可基于标准型号定制电路数和电流电压
  • · 典型应用:led大屏旋转,大型LED旋转广告屏

典型应用:

过孔式导电滑环是现在工业滑环里面性价比最高,最畅销的一个系列产品,主要应用于360度陆续在旋转且需要保证电源,信号不能中断的场合:如各种雷达,安防设备,娱乐设备,各种机器人、机械手,各种浮空器,各种风力发电设备吹瓶机,灯检机,各种转台,游乐游艺设备,虚拟3D,VR设备, 车载卫星天线,船载卫星电线,电缆卷筒,擦窗机设备,旋转餐桌,旋转舞台,旋转屏幕,旋转餐厅,电动工程机械,最新的VR模拟仿真设备等,尤其是在led大屏旋转滑环应用得最为广泛。

型号订购说明:


产品等级选型表
产品等级代号最高转速工作寿命接触材料
VC(通用级)250RPM2000万转贵金属
VD(工业级)600RPM8000万转镀金-镀金
VH(高端级)1000RPM1.5亿转金合金

技术规格参数
机械技术指标电气技术指标
参数数值参数数值
工作寿命参考产品选型等级功率信号
额定转速参考产品选型等级额定电压0~690VAC/VDC0~440VAC/VDC
工作温度-30℃~80℃绝缘电阻≥1000MΩ/500VDC≥1000MΩ/500VDC
工作湿度0~85% RH导线规格AWG16#镀锡铁氟龙AWG22#镀锡铁氟龙
接触材料参考产品等级选型表导线长度标准长度300mm(可据要求调整)
壳体材料铝合金绝缘强度800VAC@50Hz,60s
转动扭矩0.1N.m;+0.03N.m/6路动态电阻变化值<0.01Ω
防护等级IP51



MT2586系列过孔滑环选型表
型号10A信号或5A长度 L(mm)型号10A信号或5A长度 L(mm)
MT2586-S020231.6MT2586-P1210-S121212106.4
MT2586-P02102031.6MT2586-P1810-S06186106.4
MT2586-S030335MT2586-P2410240106.4
MT2586-P03103035MT2586-S30030126.8
MT2586-S060645.2MT2586-P0610-S24624126.8
MT2586-P0210-S042445.2MT2586-P1210-S181218126.8
MT2586-P0410-S024245.2MT2586-P1810-S121812126.8
MT2586-P06106045.2MT2586-P2410-S06246126.8
MT2586-S1201265.6MT2586-P3010300126.8
MT2586-P0210-S1021065.6MT2586-S36036150.2
MT2586-P0310-S093965.6MT2586-P0610-S30630150.2
MT2586-P0610-S066665.6MT2586-P1210-S241224150.2
MT2586-P0810-S048465.6MT2586-P3610360150.2
MT2586-P1010-S0210265.6MT2586-S42042170.6
MT2586-P121012065.6MT2586-P0610-S36636170.6
MT2586-S1801886MT2586-P1210-S301230170.6
MT2586-P0210-S1621686MT2586-S48048193.2
MT2586-P0410-S1441486MT2586-P0610-S42642193.2
MT2586-P0610-S1261286MT2586-P0910-S39939193.2
MT2586-P0810-S1081086MT2586-P1210-S361236193.2
MT2586-P1010-S0810886MT2586-P1810-S301830193.2
MT2586-P1210-S0612686MT2586-P2410-S242424193.2
MT2586-P1410-S0414486MT2586-S60060234
MT2586-P1610-S0216286MT2586-P0610-S54654234
MT2586-S24024106.4MT2586-P0910-S51951234
MT2586-P0410-S20420106.4MT2586-P1210-S481248234
MT2586-P0610-S18618106.4MT2586-S72072277.8

注:10A和 信号(5A)可以任意组合,详细请咨询客服。可在标准产品上进行非标定制,请咨询客服。

标准图纸

同系列更多产品参考:
获取产品3D图纸
X

经过多年的经验积累,K8凯发国际拥有20万多个产品3D图档数据库,
由于互联网的开放性和同行竞争,需要产品3D图档的客户请留下电子邮箱或者QQ。

审核完联系方式后,我们的系统将在5分钟内把3D自动发动到您的电子邮箱!