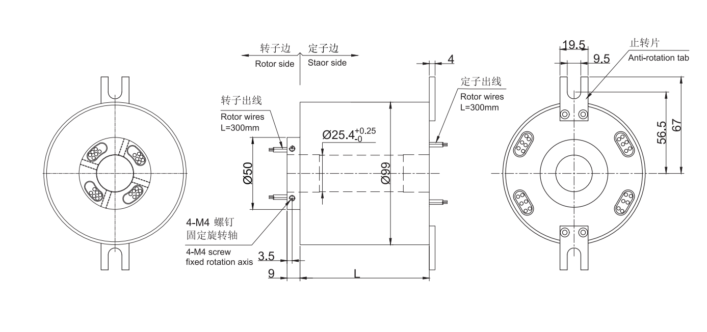
NT025系列是一款通孔直径为25.4mm整体式精密导电防水滑环,主要应用于360度陆续在旋转且需要保证电源,信号不能中断的场合:多用于绕线机、激光扫描仪、管内摄影机、展览/显示设备、售餐机滑环、ccd视觉检测设备、 智能视觉系统、自动化组装机、旋转LED灯、贴标机、实验设备、生物检测仪器等任意需要360°旋转导电或传输各种控制信号的装置。

| 技术参数 | ||||
| 机械技术指标 | 电气技术指标 | |||
| 参数 | 数值 | 参数 | 数值 | |
| 额定转速 | 100RPM | 功率 | 信号 | |
| 工作温度 | -30°C~80°C / -45°C-80°C | 额定电压 | 0~690VAC/VDC | 0~440VAC/VDC |
| 工作湿度 | 0~85% RH / 0-97% RH | 绝缘电阻 | ≥1000MΩ/1000VDC | ≥1000MΩ/500VDC |
| 壳体材料 | 铝合金/铝合金+不锈钢 | 导线规格 | 1mm2线缆 | 0.2mm2线缆 |
| 防护等级 | IP66/IP68 | 导线长度 | 标准长度300mm(可据要求调整) | |
| 绝缘强度 | 1000VAC@50Hz,60s | |||
| 动态电阻变化值 | <0.01Ω | |||
经过多年的经验积累,K8凯发国际拥有20万多个产品3D图档数据库,
由于互联网的开放性和同行竞争,需要产品3D图档的客户请留下电子邮箱或者QQ。
审核完联系方式后,我们的系统将在5分钟内把3D自动发动到您的电子邮箱!