60%以上的销售是定制产品,拥有超过10000种滑环图纸数据库,其产品典型的应用包括机器人,CCTV摄像系统,包装机械,医疗仪器,自动化系统等行业.
工业机器加工中心、旋转工作台、重型设备塔台、电缆卷盘、包装设备、磁性离合器、工艺控制设备、旋转传感器、紧急照明设备、机器人、展览/显示设备、医疗设备、旋转门等;
如何安装:
注:以下特别要求均可定制,交期会增加3~15天不等,费用增加5%~50%不等,本公司大部分基础配件都有标准化,模块化,内孔15mm空心气动旋转接头,液压旋转接头,气滑环非标定制也可大大减少成本和交期。
① 接头大小
② 压力大小
③ 转速高低
④ 中空内孔大小
⑤ 腐蚀性介质,全不锈钢材质,防爆,高温
⑥ 可与电滑环组合
技术支持邮箱:technical@moflon.com
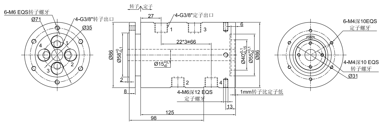
通道数:2进2出
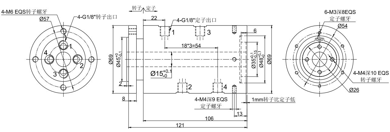
接头:G1/8;G3/8
中空直径:20mm
下载:gj2015.pdf
中空直径:30mm
下载:gj2030.pdf
中空直径:50mm
下载:gj2050.pdf
通道数:4进4出
下载:gj4030.pdf
通道数:6进6出
中空直径:15mm
下载:gj6015.pdf
下载:gj6030.pdf
下载:gj6050.pdf
经过多年的经验积累,K8凯发国际拥有20万多个产品3D图档数据库,由于互联网的开放性和同行竞争,需要产品3D图档的客户请留下电子邮箱或者QQ。
审核完联系方式后,我们的系统将在5分钟内把3D自动发动到您的电子邮箱!
深圳市K8凯发国际(MOFLON)科技有限公司
电话:0755-3358 3333
传真:0755-3319 7426
邮箱:sales@moflon.com
地址:深圳市宝安区沙井街道新和大道68号晶辉工业园6栋
简体中文 / English
技术支持
0755-3319 7427
在线客服