K8凯发国际

GJ6030系列 (中空30mm, 6进6出, 中空气液旋转接头,气滑环,液压滑环)
GJ6030系列 (中空30mm, 6进6出)
  • · 中空气液旋转接头,气滑环,液压滑环
  • · GJ6030系列内孔30mm空心气动旋转接头,液压旋转接头,气滑环连接接头有G1/8、G3/8 2种规格
  • · 能顺利获得的介质有: 压缩空气、真空、氢气、氮气、化学混合气体、蒸汽、冷却水、热水、热油、石油、硫酸、饮料等

典型应用:

工业机器加工中心、旋转工作台、重型设备塔台、电缆卷盘、包装设备、磁性离合器、工艺控制设备、旋转传感器、紧急照明设备、机器人、展览/显示设备、医疗设备、旋转门等;

型号订购说明:



产品等级选型表
产品等级代号最高转速工作寿命密封件
VC(通用级)100RPM1000万转国内知名品牌密封件
VD(工业级)300RPM3000万转进口密封件

技术规格参数
旋转接头部分技术指标
参数数值
通道数6进6出
最大压力10MPa (可定制高压),真空 0.01torr
扭矩与接口尺寸相关,详见选型表



GJ6030气/液滑环选型表
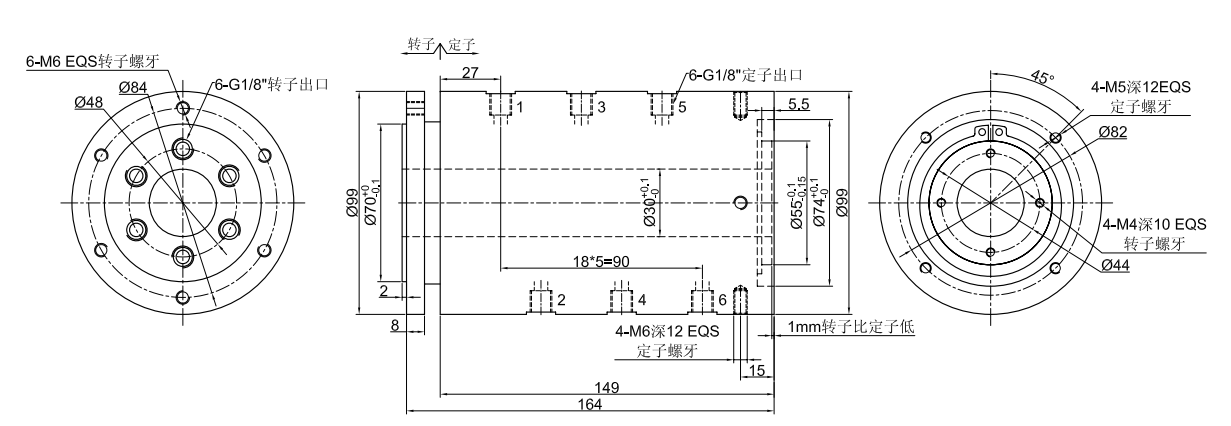
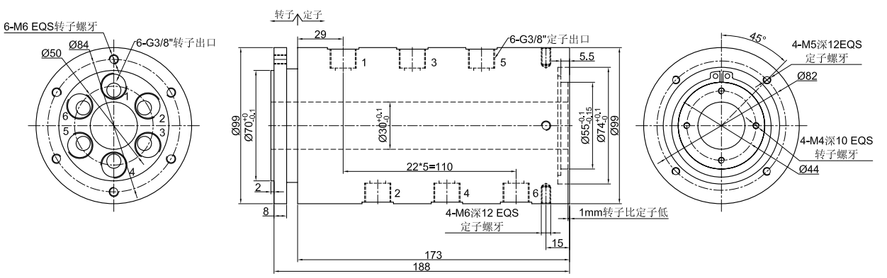
型号气体通道扭矩(N.M)接口尺寸中空内孔直径
GJ6030-026进6出3.5G1/830mm
GJ6030-046进6出3.5G3/830mm


GJ6030-02尺寸图 4进4出 G1/8接口


GJ6030-04尺寸图 4进4出 G1/8接口


同系列更多产品参考:
获取产品3D图纸
X

经过多年的经验积累,K8凯发国际拥有20万多个产品3D图档数据库,
由于互联网的开放性和同行竞争,需要产品3D图档的客户请留下电子邮箱或者QQ。

审核完联系方式后,我们的系统将在5分钟内把3D自动发动到您的电子邮箱!