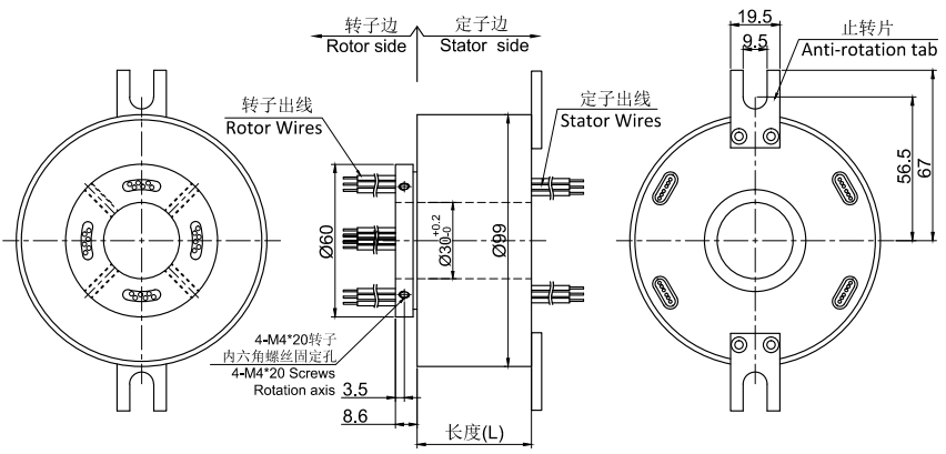
GT3099系列整体式精密导电滑环,主要应用于360度陆续在旋转且需要保证电源,信号不能中断的场合:多用于包装机械、自动化机床、涂布机、自动锁螺丝机、枪刺地毯机器人、智能磨削机器人、抛光机、智能仓储机器人、 电缆卷轴、压模机、离心机、仓储物流车、喷涂设备等任意需要360°旋转导电或传输各种控制信号的装置。
技术规格参数 | ||||
机械技术指标 | 电气技术指标 | |||
参数 | 数值 | 参数 | 数值 | |
工作寿命 | 1亿转 | 功率 | 信号 | |
额定转速 | 1~1800RPM | 额定电压 | 0~690VAC/VDC | 0~440VAC/VDC |
工作温度 | -30℃~80℃ | 绝缘电阻 | ≥1000MΩ/500VDC | ≥1000MΩ/500VDC |
工作湿度 | 0~85% RH | 导线规格 | AWG16#镀锡铁氟龙/PVC/硅胶 | AWG16#镀锡铁氟龙/PVC/硅胶 |
接触材料 | 贵金属 | 导线长度 | 标准长度300mm(可据要求调整) | |
壳体材料 | 铝合金 | 绝缘强度 | 1000VAC@50Hz,60s | |
转动扭矩 | 0.1N.m;+0.03N.m/6路 | 动态电阻变化值 | <0.03Ω | |
防护等级 | IP51 |
经过多年的经验积累,K8凯发国际拥有20万多个产品3D图档数据库,
由于互联网的开放性和同行竞争,需要产品3D图档的客户请留下电子邮箱或者QQ。
审核完联系方式后,我们的系统将在5分钟内把3D自动发动到您的电子邮箱!