• K8凯发国际

    GT2586系列 标准整体式精密导电滑环
    GT2586系列 标准整体式精密导电滑环
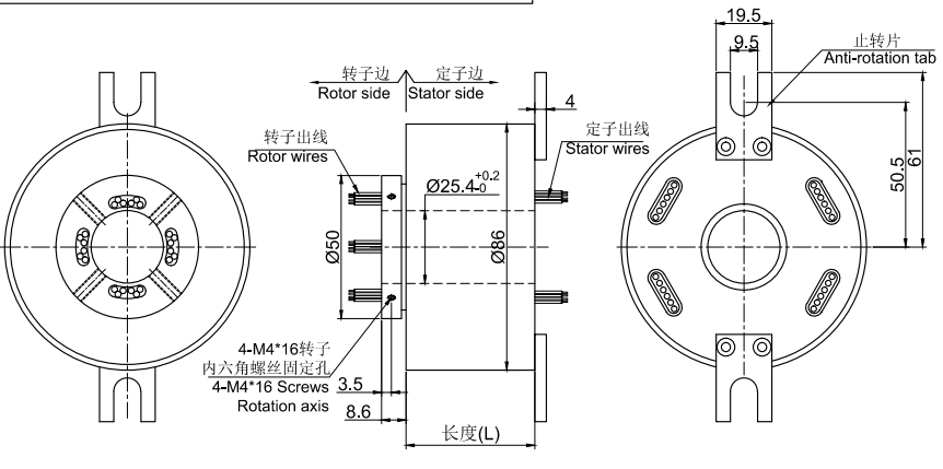
    • · 外径86mm, 通孔直径为25.4mm(适用于<=25.4mm)的标准系列整体式精密导电滑环。*注意:如需<25.4mm的内孔,可顺利获得加内衬轴套解决。
    • · 标准化产品,有库存
    • · 镀金环+合金刷(镀金)
    • · 支持信号,功率混合传输
    • · 可基于标准型号定制电路数和电流电压
    • · 典型应用:led大屏旋转,大型LED旋转广告屏

    典型应用:

    过孔式导电滑环是现在工业滑环里面性价比最高,最畅销的一个系列产品,主要应用于360度陆续在旋转且需要保证电源,信号不能中断的场合:如各种雷达,安防设备,娱乐设备,各种机器人、机械手,各种浮空器,各种风力发电设备吹瓶机,灯检机,各种转台,游乐游艺设备,虚拟3D,VR设备, 车载卫星天线,船载卫星电线,电缆卷筒,擦窗机设备,旋转餐桌,旋转舞台,旋转屏幕,旋转餐厅,电动工程机械,最新的VR模拟仿真设备等,尤其是在led大屏旋转滑环应用得最为广泛。

    型号订购说明:


    技术规格参数
    机械技术指标电气技术指标
    参数数值参数数值
    工作寿命1亿转功率信号
    额定转速1~1800RPM额定电压0~690VAC/VDC0~440VAC/VDC
    工作温度-30℃~80℃绝缘电阻≥1000MΩ/500VDC≥1000MΩ/500VDC
    工作湿度0~85% RH导线规格AWG16#镀锡铁氟龙AWG22#镀锡铁氟龙
    接触材料贵金属导线长度标准长度300mm(可据要求调整)
    壳体材料铝合金绝缘强度800VAC@50Hz,60s
    转动扭矩0.1N.m;+0.03N.m/6路动态电阻变化值<0.03Ω
    防护等级IP51



    GT2586系列过孔滑环选型表
    型号10A信号或5A长度 L(mm)型号10A信号或5A长度 L(mm)
    GT2586-S060655.6GT2586-S30030151.8
    GT2586-P0210-S042455.6GT2586-P0610-S24624151.8
    GT2586-P0410-S024255.6GT2586-P1210-S181218151.8
    GT2586-P06106055.6GT2586-P1810-S121812151.8
    GT2586-S1201278.4GT2586-P2410-S06246151.8
    GT2586-P0210-S1021078.4GT2586-P3010300151.8
    GT2586-P0410-S084878.4GT2586-S36036174.6
    GT2586-P0610-S066678.4GT2586-P0610-S30630174.6
    GT2586-P0810-S048478.4GT2586-P1210-S241224174.6
    GT2586-P1010-S0210278.4GT2586-S1810-S181818174.6
    GT2586-P121012078.4GT2586-P2410-S122412174.6
    GT2586-S18018101.2GT2586-P3610360174.6
    GT2586-P0210-S16216101.2GT2586-S48048220.2
    GT2586-P0410-S14414101.2GT2586-P0610-S42642220.2
    GT2586-P0610-S12612101.2GT2586-P1210-S361236220.2
    GT2586-P0810-S10810101.2GT2586-P1810-S301830220.2
    GT2586-P1010-S08108101.2GT2586-P2410-S242424220.2
    GT2586-P1210-S061206101.2GT2586-S60060270.8
    GT2586-P1410-S041404101.2GT2586-P0610-S54654270.8
    GT2586-P1610-S02162101.2GT2586-P1210-S481248270.8
    GT2586-S24024124GT2586-P1810-S421842270.8
    GT2586-P0610-S18618124GT2586-P2410-S362436270.8
    GT2586-P1210-S121212124GT2586-S72072316.4
    GT2586-P1810-S06186124GT2586-S84084365
    GT2586-P2410240124GT2586-S96096410.6

    注:10A和 信号(5A)可以任意组合,详细请咨询客服。可在标准产品上进行非标定制,请咨询客服。

    标准图纸

    同系列更多产品参考:
    获取产品3D图纸
    X

    经过多年的经验积累,K8凯发国际拥有20万多个产品3D图档数据库,
    由于互联网的开放性和同行竞争,需要产品3D图档的客户请留下电子邮箱或者QQ。

    审核完联系方式后,我们的系统将在5分钟内把3D自动发动到您的电子邮箱!