K8凯发国际

MAPH101系列 (1进1出 气/液+电一体滑环)
MAPH101系列 (1进1出 气/液+电一体滑环)
  • · MAPH101 气/液+电 旋转接头,可通G1/8;G3/8;4~12mm大小管径
  • · 且可以混合功率动力线、信号线、以太网、USB、工业总线、控制线、电磁阀、感应线等
  • · 标准为法兰安装形式,可定制气液旋转接头,气液电滑环,1进1出旋转接头等
  • · 能顺利获得的介质有: 压缩空气、氢气、氮气、化学混合气体、蒸汽、冷却水、热水、热油、石油、硫酸、饮料等

典型应用:

工业设备、工业展台、电气测试设备、医疗设备、机器人、测试仪器、转台、自动化设备等;

型号订购说明:

产品等级选型表
产品等级代号最高转速工作寿命密封件
VC(通用级)100RPM1000万转国内知名品牌密封件
VD(工业级)300RPM3000万转进口密封件

技术规格参数
旋转接头部分技术指标机械技术指标
参数数值参数数值
通道数1进1出工作寿命参考产品选型等级
最大压力10MPa (可定制高压),真空 0.01torr额定转速参考产品选型等级
扭矩与接口尺寸相关,详细咨询技术工作温度-30℃~80℃
电气技术指标工作湿度0~85% RH
参数数值接触材料贵金属
功率信号壳体材料铝合金
额定电压0~440VAC/VDC0~440VAC/VDC防护等级IP51
绝缘电阻≥1000MΩ/500VDC≥1000MΩ/500VDC
导线规格AWG17#镀锡铁氟龙AWG22#镀锡铁氟龙
导线长度标准长度300mm(可据要求调整)
绝缘强度500VAC@50Hz,60s
动态电阻变化值<0.01Ω



MAPH101-02气液电一体滑环选型表 02 接口尺寸G1/8
型号气(液)通道10A信号/5A长度 L(mm)型号气(液)通道10A信号/5A长度 L(mm)
MAPH101-02-S061进1出0638MAPH101-02-P0810-S101进1出81071.6
MAPH101-02-P0210-S041进1出2438MAPH101-02-P1010-S081进1出10871.6
MAPH101-02-P0410-S021进1出4238MAPH101-02-P1210-S061进1出12671.6
MAPH101-02-P06101进1出6038MAPH101-02-P1410-S041进1出14471.6
MAPH101-02-S121进1出12054.8MAPH101-02-P1610-S021进1出16271.6
MAPH101-02-P0210-S101进1出21054.8MAPH101-02-S241进1出02488.4
MAPH101-02-P0310-S091进1出3954.8MAPH101-02-P0410-S201进1出42088.4
MAPH101-02-P0610-S061进1出6654.8MAPH101-02-P0610-S181进1出61888.4
MAPH101-02-P0810-S041进1出8454.8MAPH101-02-P1210-S121进1出121288.4
MAPH101-02-P1010-S021进1出10254.8MAPH101-02-S301进1出030105.2
MAPH101-02-P12101进1出12054.8MAPH101-02-P0610-S241进1出624105.2
MAPH101-02-S181进1出01871.6MAPH101-02-S361进1出036125
MAPH101-02-P0210-S161进1出21671.6MAPH101-02-S421进1出042141.8
MAPH101-02-P0410-S141进1出41471.6MAPH101-02-S481进1出048158.6
MAPH101-02-P0610-S121进1出61271.6

注:10A和信号(5A) 可以任意组合,最大可到96路,详细请咨询客服。可在标准产品上进行非标定制,请咨询客服。

MAPH101-04气液电一体滑环选型表 04 接口尺寸G3/8
型号气(液)通道10A信号/5A长度 L(mm)型号气(液)通道10A信号/5A长度 L(mm)
MAPH101-XX-S061进1出0645.2MAPH101-XX-P1210-S181进1出1218126.8
MAPH101-XX-P0210-S041进1出2445.2MAPH101-XX-P1810-S121进1出1812126.8
MAPH101-XX-P0410-S021进1出4245.2MAPH101-XX-P2410-S061进1出246126.8
MAPH101-XX-P06101进1出6045.2MAPH101-XX-P30101进1出300126.8
MAPH101-XX-S121进1出01265.6MAPH101-XX-S361进1出036150.2
MAPH101-XX-P0210-S101进1出21065.6MAPH101-XX-P0610-S301进1出630150.2
MAPH101-XX-P0310-S091进1出3965.6MAPH101-XX-P1210-S241进1出1224150.2
MAPH101-XX-P0610-S061进1出6665.6MAPH101-XX-P36101进1出360150.2
MAPH101-XX-P0810-S041进1出8465.6MAPH101-XX-S421进1出042170.6
MAPH101-XX-P1010-S021进1出10265.6MAPH101-XX-P0610-S361进1出636170.6
MAPH101-XX-P12101进1出12065.6MAPH101-XX-P1210-S301进1出1230170.6
MAPH101-XX-S181进1出01886MAPH101-XX-P42101进1出420170.6
MAPH101-XX-P0210-S161进1出21686MAPH101-XX-S481进1出048193.2
MAPH101-XX-P0410-S141进1出41486MAPH101-XX-P0610-S421进1出642193.2
MAPH101-XX-P0610-S121进1出61286MAPH101-XX-P1210-S361进1出1236193.2
MAPH101-XX-P0810-S101进1出81086MAPH101-XX-P1810-S301进1出1830193.2
MAPH101-XX-P1010-S081进1出10886MAPH101-XX-P2410-S241进1出2424193.2
MAPH101-XX-P1210-S061进1出12686MAPH101-XX-P48101进1出480193.2
MAPH101-XX-P1410-S041进1出14486MAPH101-XX-S601进1出060234
MAPH101-XX-P1610-S021进1出16286MAPH101-XX-P0610-S541进1出654234
MAPH101-XX-S241进1出024106.4MAPH101-XX-P0910-S511进1出951234
MAPH101-XX-P0410-S201进1出420106.4MAPH101-XX-P1210-S481进1出1248234
MAPH101-XX-P0610-S181进1出618106.4MAPH101-XX-P2410-S361进1出2436234
MAPH101-XX-P1210-S121进1出1212106.4MAPH101-XX-S721进1出072277.8
MAPH101-XX-P1810-S061进1出186106.4MAPH101-XX-P1210-S601进1出1260277.8
MAPH101-XX-P24101进1出240106.4MAPH101-XX-P2410-S481进1出2448277.8
MAPH101-XX-S301进1出030126.8MAPH101-XX-P3610-S361进1出3636277.8
MAPH101-XX-P0610-S241进1出624126.8

注:10A和信号(5A) 可以任意组合,最大可到96路,详细请咨询客服。可在标准产品上进行非标定制,请咨询客服。

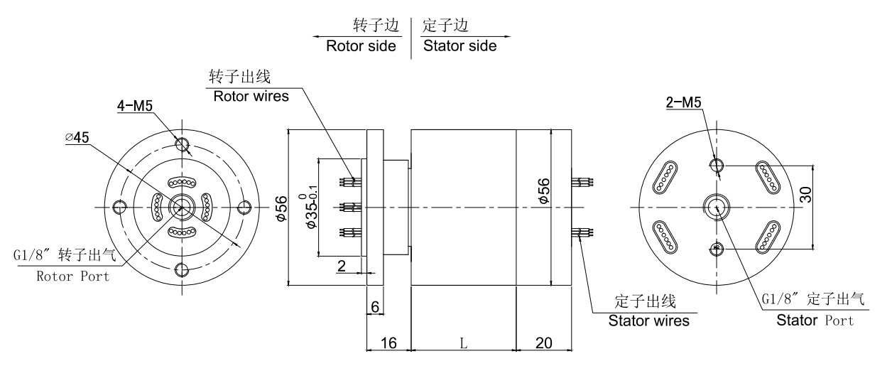
MAPH101-02 尺寸图


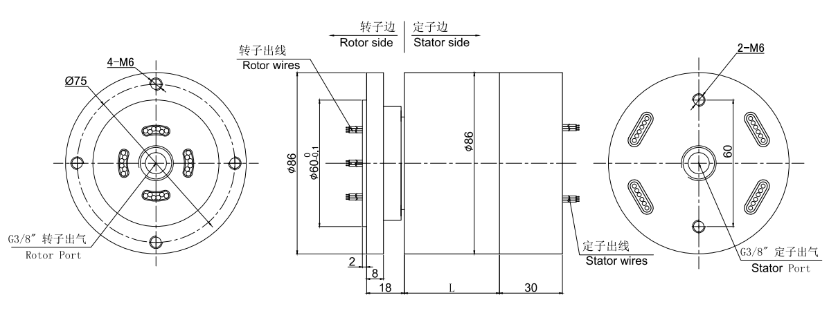
MAPH101-04 尺寸图


同系列更多产品参考:
获取产品3D图纸
X

经过多年的经验积累,K8凯发国际拥有20万多个产品3D图档数据库,
由于互联网的开放性和同行竞争,需要产品3D图档的客户请留下电子邮箱或者QQ。

审核完联系方式后,我们的系统将在5分钟内把3D自动发动到您的电子邮箱!