K8凯发国际

气液电旋转接头
MAPH104系列 (1进4出 气液电一体滑环)
  • · MAPH104 气/液+电 旋转接头,可通M5、G1/8、G1/4、G3/8、G1/2大小管径
  • · 且可以混合功率动力线、信号线、以太网、USB、工业总线、控制线、电磁阀、感应线等
  • · 标准为法兰安装形式,可定制空心轴安装气/液+电一体滑环,旋转接头
  • · 能顺利获得的介质有: 压缩空气、氢气、氮气、化学混合气体、蒸汽、冷却水、热水、热油、石油、硫酸、饮料等

典型应用:

工业设备、工业展台、电气测试设备、医疗设备、机器人、测试仪器、转台、自动化设备等;

型号订购说明:

产品等级选型表
产品等级代号最高转速工作寿命密封件
VC(通用级)100RPM1000万转国内知名品牌密封件
VD(工业级)300RPM3000万转进口密封件

技术规格参数
旋转接头部分技术指标机械技术指标
参数数值参数数值
通道数1进4出工作寿命参考产品选型等级
最大压力10MPa (可定制高压),真空 0.01torr额定转速参考产品选型等级
扭矩与接口尺寸相关,详细咨询技术工作温度-30℃~80℃
电气技术指标工作湿度0~85% RH
参数数值接触材料贵金属
功率信号壳体材料铝合金
额定电压0~440VAC/VDC0~440VAC/VDC防护等级IP51
绝缘电阻≥1000MΩ/500VDC≥1000MΩ/500VDC
导线规格AWG16#镀锡铁氟龙/PVC/硅胶AWG22#镀锡铁氟龙
导线长度标准长度300mm(可据要求调整)
绝缘强度500VAC@50Hz,60s
动态电阻变化值<0.01Ω



MAPH104-01, MAPH104-02气液电一体滑环选型表
1)XX=01,接头大小=M5,气管规格3~6mm
2)XX=02,接头大小=G1/8,气管规格3~10mm
型号气(液)通道10A信号/5A长度 L(mm)型号气(液)通道10A信号/5A长度 L(mm)
MAPH104-XX-S061进4出0638MAPH104-XX-P0810-S101进4出81071.6
MAPH104-XX-P0210-S041进4出2438MAPH104-XX-P1010-S081进4出10871.6
MAPH104-XX-P0410-S021进4出4238MAPH104-XX-P1210-S061进4出12671.6
MAPH104-XX-P06101进4出6038MAPH104-XX-P1410-S041进4出14471.6
MAPH104-XX-S121进4出12054.8MAPH104-XX-P1610-S021进4出16271.6
MAPH104-XX-P0210-S101进4出21054.8MAPH104-XX-S241进4出02488.4
MAPH104-XX-P0310-S091进4出3954.8MAPH104-XX-P0410-S201进4出42088.4
MAPH104-XX-P0610-S061进4出6654.8MAPH104-XX-P0610-S181进4出61888.4
MAPH104-XX-P0810-S041进4出8454.8MAPH104-XX-P1210-S121进4出121288.4
MAPH104-XX-P1010-S021进4出10254.8MAPH104-XX-S301进4出030105.2
MAPH104-XX-P12101进4出12054.8MAPH104-XX-P0610-S241进4出624105.2
MAPH104-XX-S181进4出01871.6MAPH104-XX-S361进4出036125
MAPH104-XX-P0210-S161进4出21671.6MAPH104-XX-S421进4出042141.8
MAPH104-XX-P0410-S141进4出41471.6MAPH104-XX-S481进4出048158.6
MAPH104-XX-P0610-S121进4出61271.6

注:10A和信号(5A) 可以任意组合,最大可到96路,详细请咨询客服。可在标准产品上进行非标定制气/液+电一体滑环_旋转接头,详情请咨询客服。
MAPH104-03, MAPH104-04, MAPH104-05气液电一体滑环选型表
1)XX=03, 接头大小=G1/4,气管规格3~12mm
2)XX=04, 接头大小=G3/8,气管规格8~16mm
3)XX=05, 接头大小=G1/2,气管规格10~20mm
型号气(液)通道10A信号/5A长度 L(mm)型号气(液)通道10A信号/5A长度 L(mm)
MAPH104-XX-S061进4出0645.2MAPH104-XX-P1210-S181进4出1218126.8
MAPH104-XX-P0210-S041进4出2445.2MAPH104-XX-P1810-S121进4出1812126.8
MAPH104-XX-P0410-S021进4出4245.2MAPH104-XX-P2410-S061进4出246126.8
MAPH104-XX-P06101进4出6045.2MAPH104-XX-P30101进4出300126.8
MAPH104-XX-S121进4出01265.6MAPH104-XX-S361进4出036150.2
MAPH104-XX-P0210-S101进4出21065.6MAPH104-XX-P0610-S301进4出630150.2
MAPH104-XX-P0310-S091进4出3965.6MAPH104-XX-P1210-S241进4出1224150.2
MAPH104-XX-P0610-S061进4出6665.6MAPH104-XX-P36101进4出360150.2
MAPH104-XX-P0810-S041进4出8465.6MAPH104-XX-S421进4出042170.6
MAPH104-XX-P1010-S021进4出10265.6MAPH104-XX-P0610-S361进4出636170.6
MAPH104-XX-P12101进4出12065.6MAPH104-XX-P1210-S301进4出1230170.6
MAPH104-XX-S181进4出01886MAPH104-XX-P42101进4出420170.6
MAPH104-XX-P0210-S161进4出21686MAPH104-XX-S481进4出048193.2
MAPH104-XX-P0410-S141进4出41486MAPH104-XX-P0610-S421进4出642193.2
MAPH104-XX-P0610-S121进4出61286MAPH104-XX-P1210-S361进4出1236193.2
MAPH104-XX-P0810-S101进4出81086MAPH104-XX-P1810-S301进4出1830193.2
MAPH104-XX-P1010-S081进4出10886MAPH104-XX-P2410-S241进4出2424193.2
MAPH104-XX-P1210-S061进4出12686MAPH104-XX-P48101进4出480193.2
MAPH104-XX-P1410-S041进4出14486MAPH104-XX-S601进4出060234
MAPH104-XX-P1610-S021进4出16286MAPH104-XX-P0610-S541进4出654234
MAPH104-XX-S241进4出024106.4MAPH104-XX-P0910-S511进4出951234
MAPH104-XX-P0410-S201进4出420106.4MAPH104-XX-P1210-S481进4出1248234
MAPH104-XX-P0610-S181进4出618106.4MAPH104-XX-P2410-S361进4出2436234
MAPH104-XX-P1210-S121进4出1212106.4MAPH104-XX-S721进4出072277.8
MAPH104-XX-P1810-S061进4出186106.4MAPH104-XX-P1210-S601进4出1260277.8
MAPH104-XX-P24101进4出240106.4MAPH104-XX-P2410-S481进4出2448277.8
MAPH104-XX-S301进4出030126.8MAPH104-XX-P3610-S361进4出3636277.8
MAPH104-XX-P0610-S241进4出624126.8

注:10A和信号(5A) 可以任意组合,最大可到96路,详细请咨询客服。可在标准产品上进行非标定制,请咨询客服。

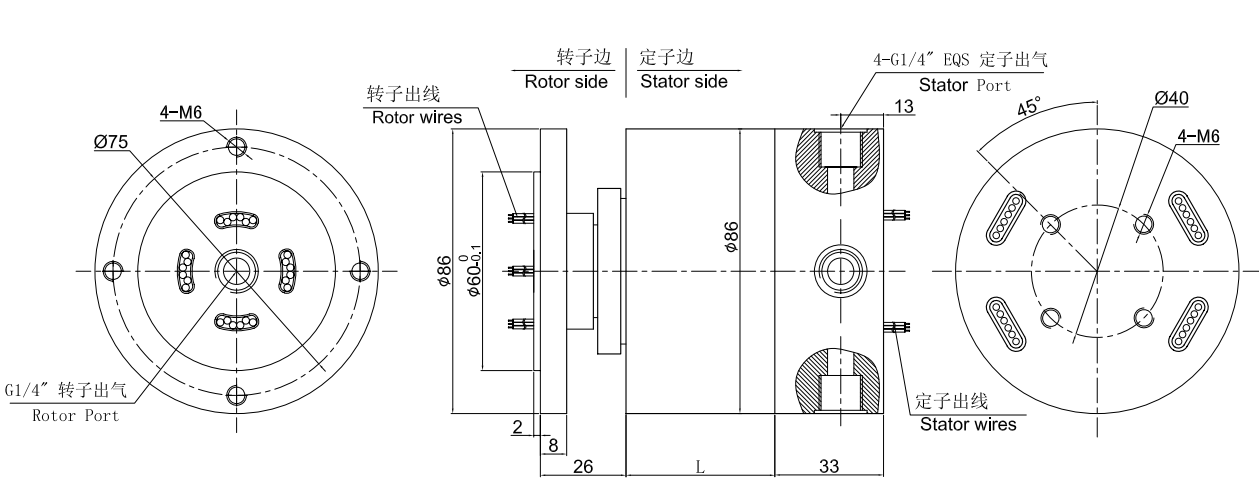
MAPH104-01 尺寸图


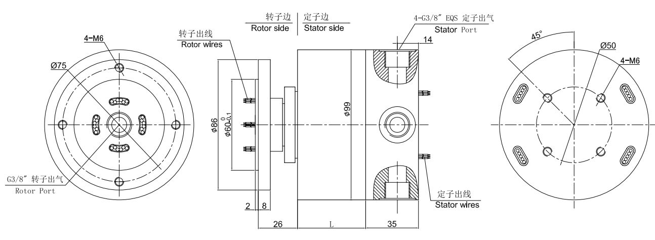
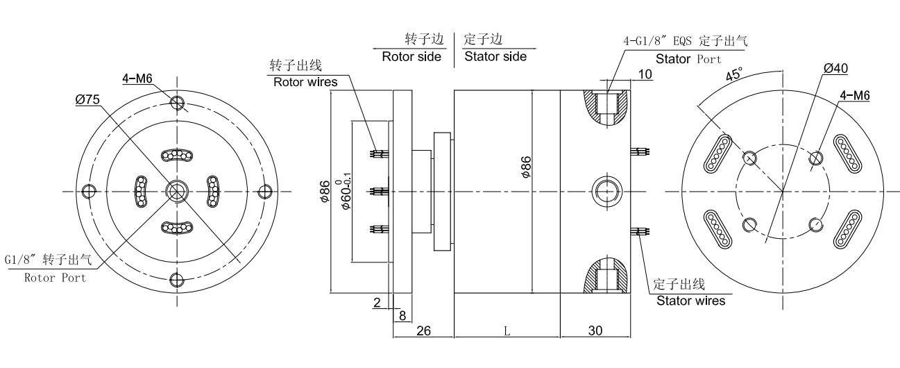
MAPH104-02 尺寸图


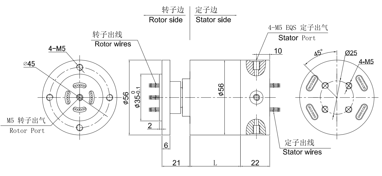
MAPH104-03 尺寸图


MAPH104-04 尺寸图


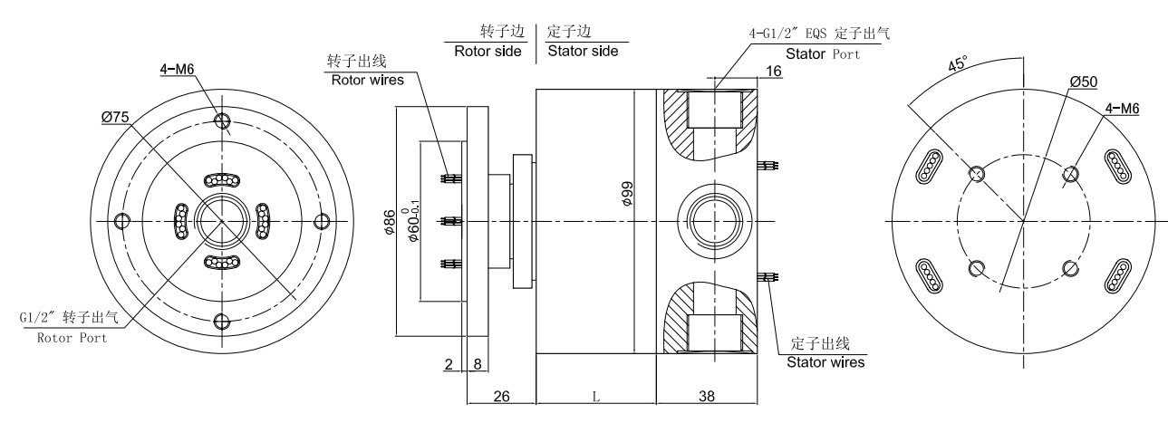
MAPH104-05 尺寸图


同系列更多产品参考:
获取产品3D图纸
X

经过多年的经验积累,K8凯发国际拥有20万多个产品3D图档数据库,
由于互联网的开放性和同行竞争,需要产品3D图档的客户请留下电子邮箱或者QQ。

审核完联系方式后,我们的系统将在5分钟内把3D自动发动到您的电子邮箱!