工业机器加工中心、旋转工作台、重型设备塔台、电缆卷盘、包装设备、磁性离合器、工艺控制设备、旋转传感器、紧急照明设备、机器人、展览/显示设备、医疗设备、旋转门等;
产品等级表 | ||||
MSP1109AC 是 MSP110AC 的高端版本,主要应用要求非常高的军事,航空航天等, 区别如下: | ||||
型号 | 最高转速 | 使用寿命 | 扭矩 | 电气噪音①@10Rpm |
MSP110AC | 250RPM | 2000万 | 0.02 N.m | 10mΩ |
MSP1109AC | 1000RPM | 1亿 | 0.005 N.m | 4mΩ |
技术规格参数 | ||||
电气技术指标 | 机械技术指标 | |||
参数 | 数值 | 参数 | 数值 | |
功率 | 信号 | 工作温度 | -30℃~80℃ | |
额定电压 | 0~240VAC/VDC | 0~240VAC/VDC | 工作湿度 | 0~85% RH |
绝缘电阻 | ≥1000MΩ/500VDC | ≥1000MΩ/500VDC | 接触材料 | 金-金 |
导线规格 | AWG32#镀锡铁氟龙 | AWG32#镀锡铁氟龙 | 防护等级 | IP41 |
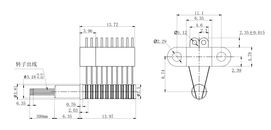
导线长度 | 标准长度300mm(可据要求调整) | |||
绝缘强度 | 500VAC@50Hz,60s | |||
动态电阻变化值 | <0.01Ω |
经过多年的经验积累,K8凯发国际拥有20万多个产品3D图档数据库,
由于互联网的开放性和同行竞争,需要产品3D图档的客户请留下电子邮箱或者QQ。
审核完联系方式后,我们的系统将在5分钟内把3D自动发动到您的电子邮箱!