• K8凯发国际

    MSP260系列 (孔径60mm, 6路10A)分体式电滑环
    MSP260系列 (孔径60mm, 6路10A)分体式电滑环
    • · MSP260 分体式滑环是属于微型滑环一种,采用分离的转子和接触刷组合,
    • · 支持6路信号/10A,定子线和转子线对应使用6色彩色导线,使电路连接简单化。
    • · 导电环采用90度角V型槽设计,具有顺畅旋转,低力矩和低电气噪音的特点,从而性能超越普通的滑环产品。

    典型应用:

    工业机器加工中心、旋转工作台、重型设备塔台、电缆卷盘、包装设备、磁性离合器、工艺控制设备、旋转传感器、紧急照明设备、机器人、展览/显示设备、医疗设备、旋转门等;

    产品等级表
    MSP2609 是 MSP260 的高端版本,主要应用要求非常高的军事,航空航天等, 区别如下:
    型号最高转速使用寿命扭矩电气噪音①@10Rpm
    MSP260150RPM1000万0.1 N.m10mΩ
    MSP2609400RPM4000亿0.05 N.m4mΩ

    技术规格参数
    电气技术指标机械技术指标
    参数数值参数数值
    功率信号工作温度-30℃~80℃
    额定电压0~440VAC/VDC0~440VAC/VDC工作湿度0~85% RH
    绝缘电阻≥1000MΩ/500VDC≥1000MΩ/500VDC接触材料金-金
    导线规格AWG16#镀锡铁氟龙AWG16#镀锡铁氟龙防护等级IP41
    导线长度标准长度300mm(可据要求调整)
    绝缘强度500VAC@50Hz,60s
    动态电阻变化值<0.01Ω


    MSP260滑环选型表
    型号信号或10A产品等级
    MSP2606通用
    MSP26096高端

    注:N个10A 电流环并起来可作为1路N*10A电流环使用;比如: 2环10A 并起来做作为 1路20A 使用。

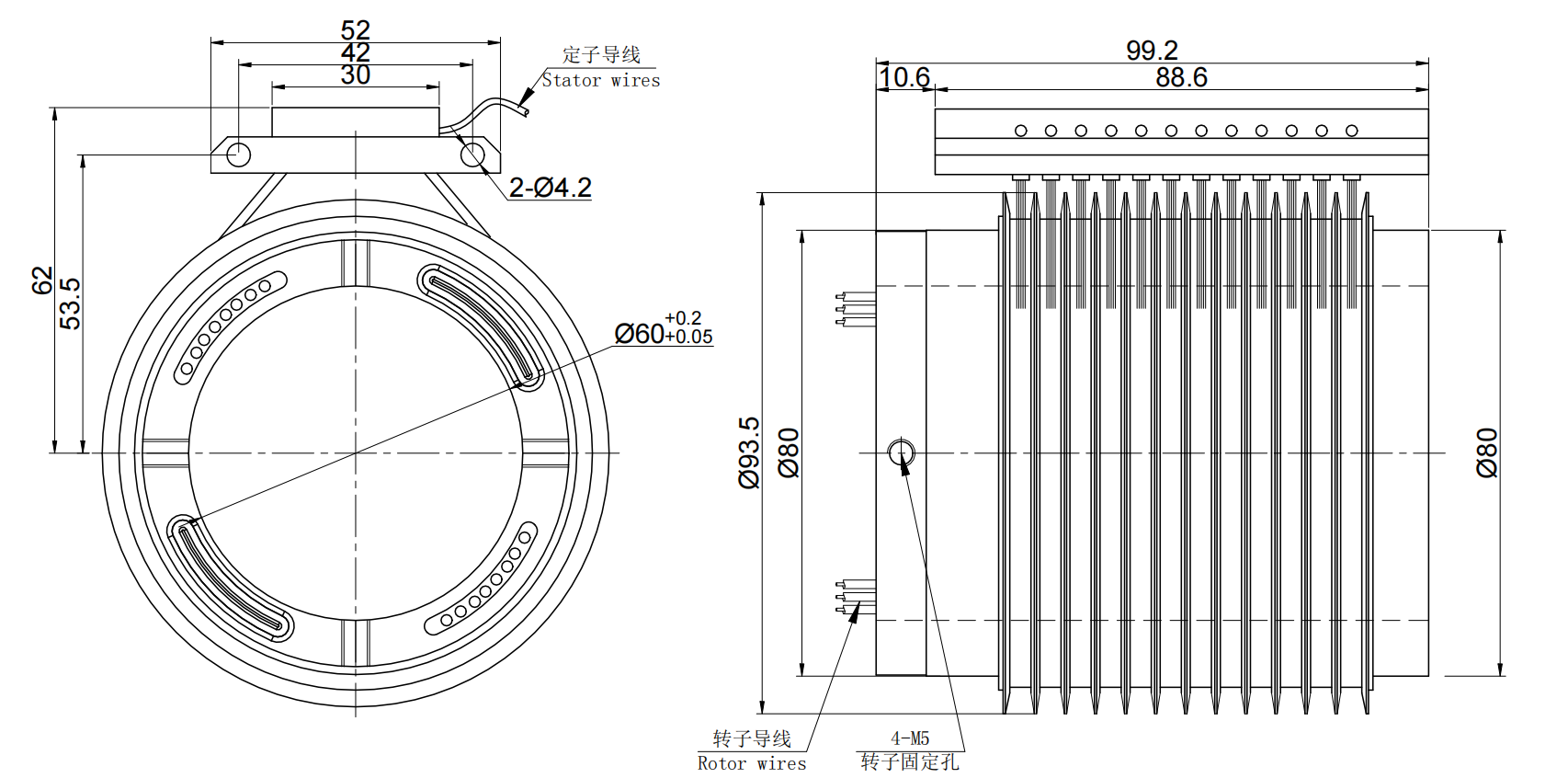
    标准图纸



    同系列更多产品参考:
    获取产品3D图纸
    X

    经过多年的经验积累,K8凯发国际拥有20万多个产品3D图档数据库,
    由于互联网的开放性和同行竞争,需要产品3D图档的客户请留下电子邮箱或者QQ。

    审核完联系方式后,我们的系统将在5分钟内把3D自动发动到您的电子邮箱!