• K8凯发国际

    MT100185系列 标准整体式精密导电滑环

    MT100185系列 标准整体式精密导电滑环

    • · 外径185mm, 通孔直径为100mm(适用于<=100mm)的标准系列整体式精密导电滑环。*注意:如需<100mm的内孔,可顺利获得加内衬轴套解决。
    • · 标准化产品,有库存
    • · 镀金环+合金刷(镀金)
    • · 支持信号,功率混合传输
    • · 可基于标准型号定制电路数和电流电压

    滑环典型应用:

    MT100185系列整体式精密导电滑环,主要应用于360度陆续在旋转且需要保证电源,信号不能中断的场合:多用于加热滚筒、自动焊接设备、金属表面加工设备、挤出流延复合设备、静态扭矩传感器、压力变送器、工业机器 人、电线(网线)电缆生产设备、电子(纺织品)质量检测仪器、机器人生产线、汽车涂装和装配线的车间设备改装、加速度传感器、研磨分散机、旋转餐桌等任意需要360°旋转导电或传输各种控制信号的装置。

    滑环型号订购说明:


    滑环等级选型表
    产品等级代号最高转速工作寿命接触材料
    VC(通用级)150RPM1000万转贵金属
    VD(工业级)400RPM3000万转镀金-镀金
    VH(高端级)800RPM8000万转金合金

    技术规格参数
    机械技术指标电气技术指标
    参数数值参数数值
    工作寿命参考产品选型等级功率信号
    额定转速参考产品选型等级额定电压0~690VAC/VDC0~440VAC/VDC
    工作温度-30℃~80℃绝缘电阻≥1000MΩ/500VDC≥1000MΩ/500VDC
    工作湿度0~85% RH导线规格AWG16#镀锡铁氟龙AWG22#镀锡铁氟龙
    接触材料参考产品等级选型表导线长度标准长度300mm(可据要求调整)
    壳体材料铝合金绝缘强度1000VAC@50Hz,60s
    转动扭矩0.1N.m;+0.03N.m/6路动态电阻变化值<0.01Ω
    防护等级IP51



    MT100185系列过孔滑环选型表
    型号10A信号或5A长度 L(mm)型号10A信号或5A长度 L(mm)
    MT100185-S0202 50 MT100185-S36036 190
    MT100185-P02102050 MT100185-P0610-S30630 190
    MT100185-S0303 54 MT100185-P1210-S241224 190
    MT100185-P031030 54 MT100185-P3610360 190
    MT100185-S0606 66 MT100185-S42042 226
    MT100185-P0210-S0424 66 MT100185-P0610-S36636226
    MT100185-P0410-S0242 66 MT100185-P1210-S301230226
    MT100185-P061060 66 MT100185-S48048 250
    MT100185-S12012 90 MT100185-P0610-S42642250
    MT100185-P0210-S1021090 MT100185-P0910-S39939250
    MT100185-P0310-S093990 MT100185-P1210-S361236250
    MT100185-P0610-S066690 MT100185-P1810-S301830250
    MT100185-P0810-S048490 MT100185-P2410-S242424250
    MT100185-P1010-S0210290 MT100185-S60060 298
    MT100185-P121012090 MT100185-P0610-S54654298
    MT100185-S18018 114 MT100185-P0910-S51951298
    MT100185-P0210-S16216114 MT100185-P1210-S481248298
    MT100185-P0410-S14414114 MT100185-S72072 350
    MT100185-P0610-S12612114 MT100185-P0610-S66666350
    MT100185-P0810-S10810114 MT100185-P1210-S601260350
    MT100185-P1010-S08108114 MT100185-P2410-S482448350
    MT100185-P1210-S06126114 MT100185-P3610-S363636350
    MT100185-P1410-S04144114 MT100185-S84084 398
    MT100185-P1610-S02162114 MT100185-P1210-S721272398
    MT100185-S24024 138 MT100185-P2410-S602460398
    MT100185-P0410-S20420138 MT100185-P3610-S483648398
    MT100185-P0610-S18618138 MT100185-S96096 450
    MT100185-P1210-S121212138 MT100185-P1210-S841284450
    MT100185-P1810-S06186138 MT100185-P2410-S722472450
    MT100185-P2410240138 MT100185-P3610-S603660450
    MT100185-S30030 162 MT100185-P4210-S544254450
    MT100185-P0610-S24624162 MT100185-S1080108 498
    MT100185-P1210-S181218162 MT100185-P1210-S961296498
    MT100185-P1810-S121812162 MT100185-P2410-S842484498
    MT100185-P2410-S06246162 MT100185-P3610-S723672498
    MT100185-P3010300162 MT100185-P4810-S604860498

    注:10A和 信号(5A)可以任意组合,详细请咨询客服。可在标准产品上进行非标定制,请咨询客服。

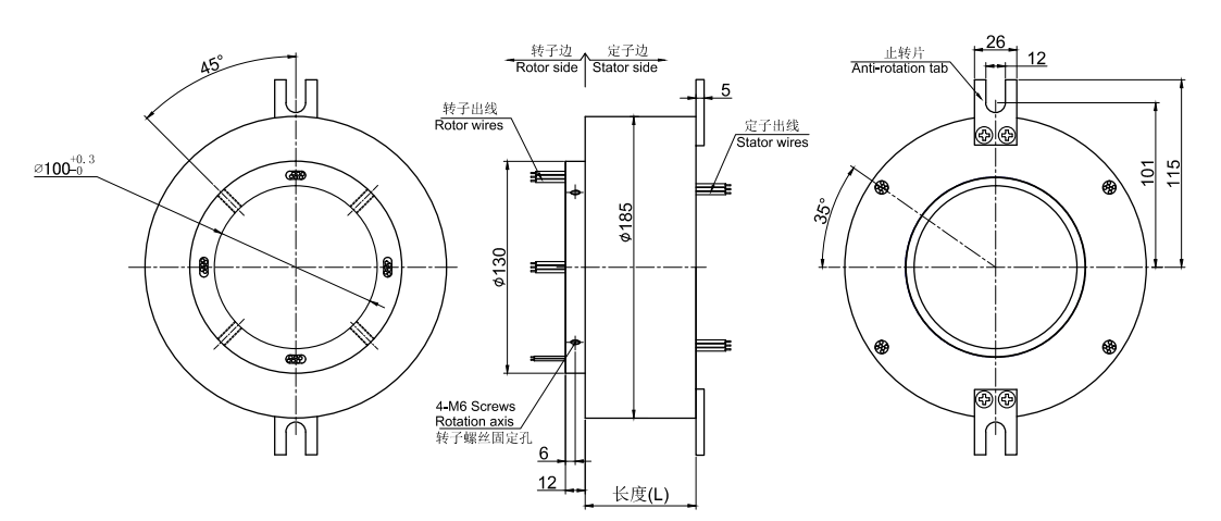
    标准图纸

    同系列更多产品参考:
    获取产品3D图纸
    X

    经过多年的经验积累,K8凯发国际拥有20万多个产品3D图档数据库,
    由于互联网的开放性和同行竞争,需要产品3D图档的客户请留下电子邮箱或者QQ。

    审核完联系方式后,我们的系统将在5分钟内把3D自动发动到您的电子邮箱!