过孔式导电滑环是现在工业滑环里面性价比最高,最畅销的一个系列产品,主要应用于360度陆续在旋转且需要保证电源,信号不能中断的场合:如各种雷达,安防设备,娱乐设备,各种机器人、机械手,各种浮空器,各种风力发电设备吹瓶机,灯检机,各种转台,游乐游艺设备,虚拟3D,VR设备, 车载卫星天线,船载卫星电线,电缆卷筒,擦窗机设备,旋转餐桌,旋转舞台,旋转屏幕,旋转餐厅,电动工程机械,最新的VR模拟仿真设备等。;
滑环等级选型表 | |||
产品等级代号 | 最高转速 | 工作寿命 | 接触材料 |
VC(通用级) | 150RPM | 1000万转 | 贵金属 |
VD(工业级) | 400RPM | 3000万转 | 镀金-镀金 |
VH(高端级) | 800RPM | 8000万转 | 金合金 |
技术规格参数 | ||||
机械技术指标 | 电气技术指标 | |||
参数 | 数值 | 参数 | 数值 | |
工作寿命 | 参考产品选型等级 | 功率 | 信号 | |
额定转速 | 参考产品选型等级 | 额定电压 | 0~690VAC/VDC | 0~440VAC/VDC |
工作温度 | -30℃~80℃ | 绝缘电阻 | ≥1000MΩ/500VDC | ≥1000MΩ/500VDC |
工作湿度 | 0~85% RH | 导线规格 | AWG16#镀锡铁氟龙 | AWG22#镀锡铁氟龙 |
接触材料 | 参考产品等级选型表 | 导线长度 | 标准长度300mm(可据要求调整) | |
壳体材料 | 铝合金 | 绝缘强度 | 1000VAC@50Hz,60s | |
转动扭矩 | 0.1N.m;+0.03N.m/6路 | 动态电阻变化值 | <0.01Ω | |
防护等级 | IP51 |
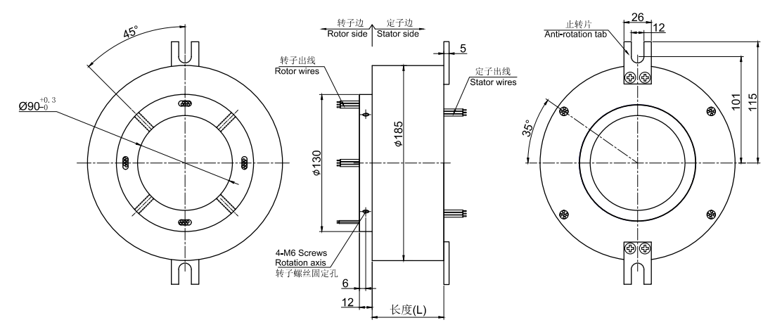
注:10A和 信号(5A)可以任意组合,详细请咨询客服。可在标准产品上进行非标定制,请咨询客服。 标准图纸 ![]() |
经过多年的经验积累,K8凯发国际拥有20万多个产品3D图档数据库,
由于互联网的开放性和同行竞争,需要产品3D图档的客户请留下电子邮箱或者QQ。
审核完联系方式后,我们的系统将在5分钟内把3D自动发动到您的电子邮箱!