K8凯发国际

MW3086系列 大功率导电滑环
MW3086系列 大功率导电滑环
  • · MW3086系列是外径86mm,转子法兰安装的大功率导电滑环。
  • · 额定电流从20A 30A 50A到100A以上,支持300A 500A。
  • · 吊车专用导电环,旋转精度高,性能更稳定,寿命更长。
  • · 其采用接触材料采用贵金属加超硬镀金处理
  • · 力矩小,运转稳定,寿命长,电阻波动小,接触电阻小,保证稳定的传输性能。

典型应用:

小型风力发电机、电镀行业设备、加热滚动等需要大功率,大电流的应用设备,另外还有其他工业控制领域也大量用到,如减震器大电流滑环,污水处理设备滑环,高强度石油测井仪器导电滑环,机器人焊接设备滑环,大电流导电滑环,清仓机用粉尘防爆滑环,高温电滑环,加热转轴滑环 yo烘干机,炒料机,加热搅拌机械滑环等等;

型号订购说明:


产品等级表
产品等级代号最高转速工作寿命接触材料
VC(通用级)100RPM1000万转贵金属
VD(工业级)200RPM3000万转金-金

技术规格参数
机械技术指标电气技术指标
参数数值参数数值
工作寿命参考产品选型等级功率
额定转速参考产品选型等级额定电压0~690VAC/VDC
工作温度-30℃~80℃绝缘电阻≥1000MΩ/500VDC
工作湿度0~85% RH导线规格AWG8#=50A, 或AWG8并线
接触材料参考产品选型等级导线长度标准长度300mm(可据要求调整)
壳体材料铝合金绝缘强度500VAC@50Hz,60s
转动扭矩0.1N·m;+0.03N·m/1路动态电阻变化值<0.01Ω
防护等级IP51



MW3086 滑环(出线AWG#8)系列选型表
型号50A80A100A150A长度L(mm)型号50A80A100A150A长度L(mm)
MW3086-P0150100035MW3086-P03100003086
MW3086-P0180 0 100 45.2 MW3086-P0315000 0 3 120.6
MW3086-P01100 00 10 45.2MW3086-P0450 40 00 65.6
MW3086-P01150 000 1 55.4MW3086-P04800 4 00 110.4
MW3086-P0250 2000 45.2MW3086-P0410000 40 110.4
MW3086-P0280 0 200 65.6 MW3086-P0415000 0 4 151.2
MW3086-P02100 00 20 65.6MW3086-P0550 50 00 75.8
MW3086-P02150 000 2 86MW3086-P05800 5 00 130.8
MW3086-P0350 3000 55.4MW3086-P0510000 50 130.8
MW3086-P0380 0 300 86      

注:N个50A 电流环并起来可作为1路N*50A电流环使用;比如: 2环50A 并起来做作为 1路100A 使用。
可根据客户要求,可增加信号环道,热电偶信号环道,耐高温等级可选,请咨询客服。

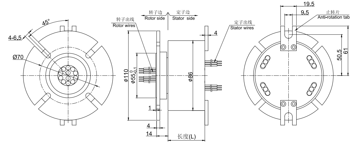
标准图纸



同系列更多产品参考:
获取产品3D图纸
X

经过多年的经验积累,K8凯发国际拥有20万多个产品3D图档数据库,
由于互联网的开放性和同行竞争,需要产品3D图档的客户请留下电子邮箱或者QQ。

审核完联系方式后,我们的系统将在5分钟内把3D自动发动到您的电子邮箱!