• K8凯发国际

    MW4032系列 大电流功率滑环
    MW4032系列 大电流功率滑环(插片式滑环)
    • · MW4032是插片式无水银大电流滑环,除具备常规滑环特点,完全满足欧盟环保要求。
    • · 采用标准的扁平接头方便连接
    • · 导电环采用贵金属镀敷处理,电刷采用贵金属合金丝
    • · 力矩小,运转稳定,寿命长,电阻波动小,接触电阻小,保证稳定的传输性能。
    • · 可替代传统式的水银滑环(A4H);为工业制造业设计的无水银滑环。

    典型应用:

    小型风力发电机、电镀行业设备、加热滚动等需要大功率,大电流的应用设备,另外还有其他工业控制领域也大量用到,如减震器大电流滑环,污水处理设备滑环,高强度石油测井仪器导电滑环,机器人焊接设备滑环,大电流导电滑环,清仓机用粉尘防爆滑环,高温电滑环,加热转轴滑环 yo烘干机,炒料机,加热搅拌机械滑环等等;

    型号订购说明:


    技术规格参数
    机械技术指标电气技术指标
    参数数值参数数值
    工作寿命2000万转功率信号
    额定转速250RPM额定电压0~440VAC/VDC0~440VAC/VDC
    工作温度-30℃~80℃绝缘电阻≥1000MΩ/500VDC≥1000MΩ/500VDC
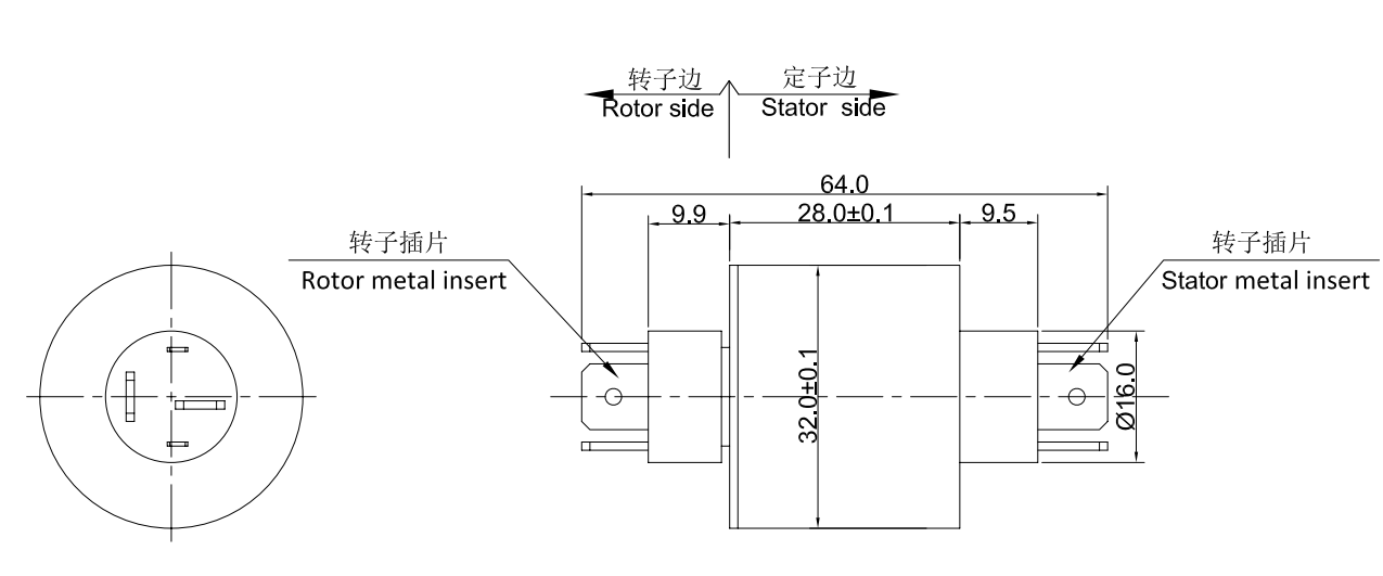
    工作湿度0~85% RH导线规格出插片出插片
    接触材料金-金导线长度标准长度300mm(可据要求调整)
    壳体材料铝合金绝缘强度500VAC@50Hz,60s
    转动扭矩0.1N.m;+0.03N.m/1路动态电阻变化值<0.01Ω
    防护等级IP51



    MW4032 滑环(插片式)系列选型表
    型号30A信号或8A长度L(mm)备注
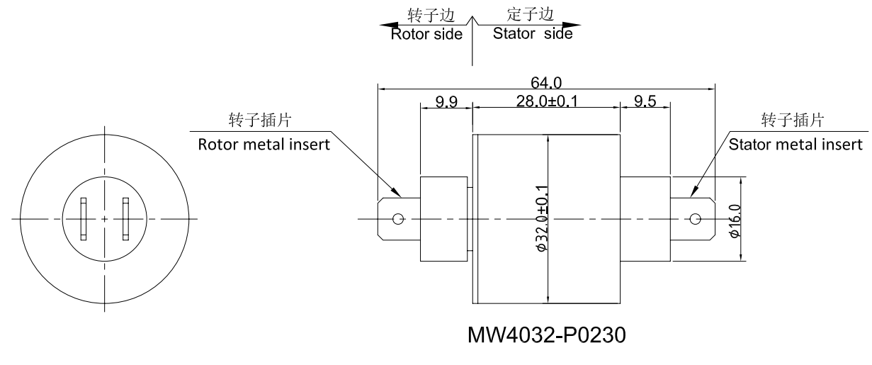
    MW4032-P02302047.4可替代A2H,M230
    MW4032-P03303047.4可替代A3H,M330
    MW4032-P0230-P02082247.4可替代A4H,M430

    注:N个30A 电流环并起来可作为1路N*30A电流环使用;比如: 2环30A 并起来做作为 1路60A 使用。

    MW4032-P0230 尺寸图


    MW4032-P0330 尺寸图


    MW4032-P0230-P0208 尺寸图


    同系列更多产品参考:
    获取产品3D图纸
    X

    经过多年的经验积累,K8凯发国际拥有20万多个产品3D图档数据库,
    由于互联网的开放性和同行竞争,需要产品3D图档的客户请留下电子邮箱或者QQ。

    审核完联系方式后,我们的系统将在5分钟内把3D自动发动到您的电子邮箱!