K8凯发国际

MZ119系列 转子法兰导电滑环
MZ119系列 转子法兰导电滑环
  • · MZ119系列转子法兰滑环,可用于重型设备塔台,起重机吊机,旋转加工中心,是外径119mm的转子部分带连接法兰的一系列滑环的总称。
  • · 实心滑环,中心无通孔, 适用于法兰端面安装。
  • · 可以实现更多的路数和更大的电流。
  • · 内部走线和特殊屏蔽模块设计方便,更稳定可靠。
  • · 通常此类产品用于定制各类敏感信号或者编码器信号。

典型应用:

工业机器加工中心、旋转工作台、重型设备塔台、电缆卷盘、包装设备、磁性离合器、工艺控制设备、旋转传感器、紧急照明设备、机器人、展览/显示设备、医疗设备、旋转门等;

型号订购说明:


产品等级表
产品等级代号最高转速工作寿命接触材料
VC(通用级)250RPM1500万转贵金属
VD(工业级)1000RPM8000万转镀金-镀金

技术规格参数
机械技术指标电气技术指标
参数数值参数数值
工作寿命参考产品选型等级功率信号
额定转速参考产品选型等级额定电压0~690VAC/VDC0~440VAC/VDC
工作温度-30℃~80℃绝缘电阻≥1000MΩ/500VDC≥1000MΩ/500VDC
工作湿度0~85% RH导线规格AWG16#镀锡铁氟龙/PVC/硅胶AWG22#镀锡铁氟龙
接触材料参考产品选型等级导线长度标准长度300mm(可据要求调整)
壳体材料铝合金绝缘强度800VAC@50Hz,60s
转动扭矩0.1N.m;+0.03N.m/6路动态电阻变化值<0.01Ω
防护等级IP51



MZ119系列滑环选型表
型号10A信号或5A长度 L(mm)型号10A信号或5A长度 L(mm)
MZ119-S0202 36 MZ119-S36 0 36 165.2
MZ119-P02102036MZ119-P0610-S30 6 30165.2
MZ119-S0303 39.8 MZ119-P1210-S24 12 24 165.2
MZ119-P03103039.8MZ119-P3610 36 0 165.2
MZ119-S0606 51.2MZ119-S42 0 42 188
MZ119-P0210-S042451.2MZ119-P0610-S36 6 36 188
MZ119-P0410-S024251.2MZ119-P1210-S30 12 30 188
MZ119-P06106051.2 MZ119-S48 0 48 210.8
MZ119-S12012 74MZ119-P0610-S42 6 42 210.8
MZ119-P0210-S1021074MZ119-P0910-S39 9 39 210.8
MZ119-P0310-S093974MZ119-P1210-S36 12 36 210.8
MZ119-P0610-S066674MZ119-P1810-S30 18 30 210.8
MZ119-P0810-S048474MZ119-P2410-S24 24 24 210.8
MZ119-P1010-S0210274MZ119-S60 0 60 256.4
MZ119-P121012074MZ119-P0610-S54 6 54256.4
MZ119-S18018 96.8MZ119-P0910-S51 9 51 256.4
MZ119-P0210-S1621696.8MZ119-P1210-S48 12 48 256.4
MZ119-P0410-S1441496.8MZ119-S72 0 72 312
MZ119-P0610-S1261296.8MZ119-P0610-S66 6 66 312
MZ119-P0810-S1081096.8MZ119-P1210-S60 12 60 312
MZ119-P1010-S0810 896.8MZ119-P2410-S48 24 48 312
MZ119-P1210-S0612 696.8MZ119-P3610-S36 36 36 312
MZ119-P1410-S04 14 496.8MZ119-S84 0 84 367.6
MZ119-P1610-S02 16 296.8MZ119-P1210-S72 12 72 367.6
MZ119-S24 0 24 119.6MZ119-P2410-S60 24 60 367.6
MZ119-P0410-S20 4 20119.6MZ119-P3610-S48 36 48 367.6
MZ119-P0610-S18 6 18119.6MZ119-S960 96 413.2
MZ119-P1210-S12 12 12119.6MZ119-P1210-S84 12 84 413.2
MZ119-P1810-S06 18 6119.6MZ119-P2410-S72 24 72 413.2
MZ119-P2410 24 0119.6MZ119-P3610-S60 36 60 413.2
MZ119-S30 0 30 142.4MZ119-P4210-S54 42 54 413.2
MZ119-P0610-S24 6 24142.4MZ119-S1080 108 458.8
MZ119-P1210-S18 12 18142.4MZ119-P1210-S96 12 96 458.8
MZ119-P1810-S12 18 12142.4MZ119-P2410-S84 24 84 458.8
MZ119-P2410-S06 24 6142.4MZ119-P3610-S72 36 72 458.8
MZ119-P3010 30 0142.4MZ119-P4810-S60 48 60 458.8

注:N个10A 电流环并起来可作为1路N*10A电流环使用;比如: 2环10A 并起来做作为 1路20A 使用。
10A和信号(5A) 可以任意组合,详细请咨询客服。转子法兰滑环,可用于重型设备塔台,起重机吊机,旋转加工中心,可在标准产品上进行非标定制,请咨询客服。

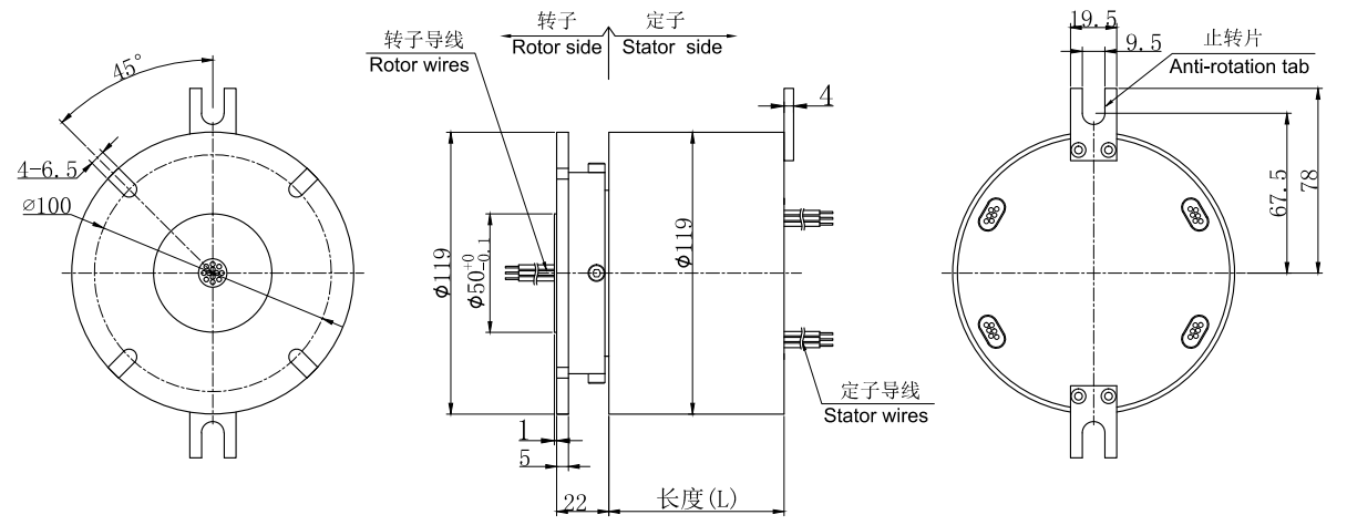
标准图纸
同系列更多产品参考:
获取产品3D图纸
X

经过多年的经验积累,K8凯发国际拥有20万多个产品3D图档数据库,
由于互联网的开放性和同行竞争,需要产品3D图档的客户请留下电子邮箱或者QQ。

审核完联系方式后,我们的系统将在5分钟内把3D自动发动到您的电子邮箱!