K8凯发国际

    MZA056系列 转子法兰导电滑环
    MZA056系列 转子法兰导电滑环
    • · MZA056系列转子法兰导电滑环是外径56mm的转子部分带连接法兰的一系列滑环的总称。
    • · 转子法兰滑环,可用于旋转工作台,电缆卷盘,包装设备 。
    • · 实心滑环,中心无通孔, 适用于法兰端面安装。
    • · 可以实现更多的路数和更大的电流。
    • · 内部走线和特殊屏蔽模块设计方便,更稳定可靠。
    • · 通常此类产品用于定制各类敏感信号或者编码器信号。

    典型应用:

    工业机器加工中心、旋转工作台、重型设备塔台、电缆卷盘、包装设备、磁性离合器、工艺控制设备、旋转传感器、紧急照明设备、机器人、展览/显示设备、医疗设备、旋转门等;

    型号订购说明:


    *比如MZA056-4A3-2C5, 其中4A3-2C5是指:4组2路20A(即8路20A)+2组1根电缆含(6路双绞线信号+带屏蔽)


    技术规格参数
    机械技术指标电气技术指标
    参数数值参数数值
    工作寿命1500W功率信号
    额定转速1~300RPM额定电压0~250VAC/VDC0~250VAC/VDC
    工作温度-30℃~80℃绝缘电阻≥500MΩ/500VDC≥500MΩ/500VDC
    工作湿度0~85% RH导线规格根据客户的选型模块而定根据客户的选型模块而定
    接触材料贵金属导线长度标准长度300mm(可据要求调整)
    壳体材料铝合金绝缘强度500VAC@50Hz,60s
    转动扭矩0.1N.m;+0.03N.m/6路动态电阻变化值<0.01Ω
    防护等级IP51



    MZA056系列滑环模块编号表(长度L与模块数量和类型有关,请咨询销售)
    A1: 2路10AB1: 3路10AC1: 2路普通信号C10: 1根2芯热电偶
    A2: 2路15AB2: 3路15AC2: 3路普通信号C11: 1跟3芯PT100热电阻
    A3: 2路20AB3: 3路20AC3: 1根电缆含(2路双绞线信号+带屏蔽)C12: RS422电缆(4芯+屏蔽)
    A4: 2路30AB4: 3路30AC4: 1根电缆含(4路双绞线信号+带屏蔽)C13: RS485电缆(2芯+屏蔽)
    A5: 2路50AB5: 3路50AC5: 1根电缆含(6路双绞线信号+带屏蔽)
    A6: 2路80AB6: 3路80AC6: 1根电缆含(8路双绞线信号+带屏蔽)
    A7: 2路100AB7: 3路100AC7: 1根电缆含(10路双绞线信号+带屏蔽)
    C8: 1根电缆含(12路双绞线信号+带屏蔽)
    C9: 1根电缆含(14路双绞线信号+带屏蔽)
    D1: 1根EtherCAT以太网电缆E1: 1根100M以太网(4芯)电缆
    D2: 1根DeviceNET电缆E2: 1根1000M以太网(8芯)电缆
    D3: 1根Profinet(4芯)电缆E3: 1根USB2.0电缆
    D4: 1根Profinet(8芯)电缆
    D5: 1根Profibus电缆
    D6: 1根CANbus电缆
    D7: 1根CANopen电缆
    D8: 1根CCLINK(3芯)电缆

    标准长度L: 222.8mm,263.6mm,310.4mm

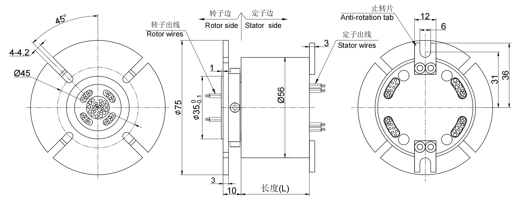
    标准图纸


    同系列更多产品参考:
    获取产品3D图纸
    X

    经过多年的经验积累,K8凯发国际拥有20万多个产品3D图档数据库,
    由于互联网的开放性和同行竞争,需要产品3D图档的客户请留下电子邮箱或者QQ。

    审核完联系方式后,我们的系统将在5分钟内把3D自动发动到您的电子邮箱!