K8凯发国际

GT1256 slip rings

GT1256 系列过孔精密导电滑环

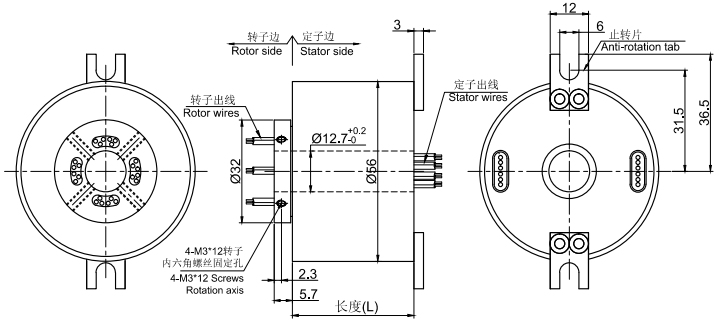
  • · 通孔直径 12.7mm,外径: 56mm
  • · GT1256是标准系列过孔滑环(高速过孔滑环),,过孔直径12.7mm(适用任何<=12.7mm),外径为56mm精密导电滑环。
  • · 支持信号(2A), 10A, 倍率*10A,电压440VAC/VDC。
  • · 相比较同类产品有着旋转精度高,性能更稳定,寿命更长。
  • · 其采用接触材料采用贵金属+超硬镀金处理,力矩小,运转稳定,寿命长,电阻波动小,接触电阻小,保证优良的传输性能。
  • · 典型应用包括自动化设备、工作转台、摄像机云台、机器人等.

典型应用:

GT1256系列滑环,主要应用于360度陆续在旋转且需要保证电源,信号不能中断的场合:多用于各种浮空器、智能视觉机器人、焊接设备、电阻切割机、圆形针织机、化妆,彩妆设备、电动轮椅、缝纫机、虚拟3D设备、儿童游乐游艺设备、船载卫星电线、旋转广告位等任意需要360°旋转导电或传输各种控制信号的装置。

型号订购说明:


技术规格参数
机械技术指标电气技术指标
参数数值参数数值
工作寿命1亿转功率信号
额定转速1~1800RPM额定电压0~440VAC/VDC0~440VAC/VDC
工作温度-30℃~80℃绝缘电阻≥1000MΩ/500VDC≥1000MΩ/500VDC
工作湿度0~85% RH导线规格AWG17#镀银铁氟龙AWG22#镀银铁氟龙
接触材料贵金属导线长度标准长度300mm(可据要求调整)
壳体材料铝合金绝缘强度500VAC@50Hz,60s
转动扭矩0.1N.m;+0.03N.m/6路动态电阻变化值<0.03Ω
防护等级IP51



GT1256系列过孔滑环选型表
型号10A信号或5A长度 L(mm)型号10A信号或5A长度 L(mm)
GT1256-S060648.2GT1256-P1410-S0414486.6
GT1256-P0210-S042448.2GT1256-P1610-S0216286.6
GT1256-P0410-S024248.2GT1256-P181018086.6
GT1256-P06106048.2GT1256-S24024105.8
GT1256-S1201267.4GT1256-P0410-S20420105.8
GT1256-P0210-S1021067.4GT1256-P0610-S18618105.8
GT1256-P0310-S093967.4GT1256-P1210-S121212105.8
GT1256-P0610-S066667.4GT1256-P1810-S06186105.8
GT1256-P0810-S048467.4GT1256-S30030130
GT1256-P1010-S0210267.4GT1256-P0210-S28228130
GT1256-P121012067.4GT1256-P0410-S26426130
GT1256-S1801886.6GT1256-P0610-S24624130
GT1256-P0210-S1621686.6GT1256-S36036149.2
GT1256-P0410-S1441486.6GT1256-P0410-S32432149.2
GT1256-P0610-S1261286.6GT1256-P0610-S30630149.2
GT1256-P0810-S1081086.6GT1256-S42042168.4
GT1256-P1010-S0810886.6GT1256-P0410-S38438168.4
GT1256-P1210-S0612686.6GT1256-S48048187.6

注:10A和 信号(5A)可以任意组合,详细请咨询客服。可在标准产品上进行非标定制,请咨询客服。

标准图纸



同系列更多产品参考:
获取产品3D图纸
X

经过多年的经验积累,K8凯发国际拥有20万多个产品3D图档数据库,
由于互联网的开放性和同行竞争,需要产品3D图档的客户请留下电子邮箱或者QQ。

审核完联系方式后,我们的系统将在5分钟内把3D自动发动到您的电子邮箱!