K8凯发国际

MT300476系列 标准整体式精密导电滑环
MT300476系列 标准整体式精密导电滑环
  • · 通孔直径为300mm(适用于<=300mm)的标准系列整体式精密导电滑环。*注意:如需<300mm的内孔,可顺利获得加内衬轴套解决。
  • · 标准化产品,有库存
  • · 镀金环+合金刷(镀金)
  • · 支持信号,功率混合传输
  • · 可基于标准型号定制电路数和电流电压

典型应用:

过孔式导电滑环是现在工业滑环里面性价比最高,最畅销的一个系列产品,主要应用于360度陆续在旋转且需要保证电源,信号不能中断的场合:如各种雷达,安防设备,娱乐设备,各种机器人、机械手,各种浮空器,各种风力发电设备吹瓶机,灯检机,各种转台,游乐游艺设备,虚拟3D,VR设备, 车载卫星天线,船载卫星电线,电缆卷筒,擦窗机设备,旋转餐桌,旋转舞台,旋转屏幕,旋转餐厅,电动工程机械,最新的VR模拟仿真设备等。;

型号订购说明:


产品等级选型表
产品等级代号最高转速工作寿命接触材料
VC(通用级)150RPM1000万转贵金属
VD(工业级)250RPM2000万转镀金-镀金

技术规格参数
机械技术指标电气技术指标
参数数值参数数值
工作寿命参考产品选型等级功率信号
额定转速参考产品选型等级额定电压0~690VAC/VDC0~440VAC/VDC
工作温度-30℃~80℃绝缘电阻≥1000MΩ/500VDC≥1000MΩ/500VDC
工作湿度0~85% RH导线规格AWG16#镀锡铁氟龙AWG22#镀锡铁氟龙
接触材料参考产品等级选型表导线长度标准长度300mm(可据要求调整)
壳体材料铝合金绝缘强度1000VAC@50Hz,60s
转动扭矩0.1N.m;+0.03N.m/6路动态电阻变化值<0.01Ω
防护等级IP51



MT300476系列过孔滑环选型表
型号10A信号或5A长度 L(mm)型号10A信号或5A长度 L(mm)
MT300476-S0202 114 MT300476-S36036 392
MT300476-P021020114 MT300476-P0610-S30630 392
MT300476-S0303 122 MT300476-P1210-S241224 392
MT300476-P031030 122 MT300476-P3610360 392
MT300476-S0606 146 MT300476-S42042 440
MT300476-P0210-S0424 146 MT300476-P0610-S36636440
MT300476-P0410-S0242 146 MT300476-P1210-S301230440
MT300476-P061060 146 MT300476-S48048 488
MT300476-S12012 194 MT300476-P0610-S42642488
MT300476-P0210-S10210194 MT300476-P0910-S39939488
MT300476-P0310-S0939194 MT300476-P1210-S361236488
MT300476-P0610-S0666194 MT300476-P1810-S301830488
MT300476-P0810-S0484194 MT300476-P2410-S242424488
MT300476-P1010-S02102194 MT300476-S60060 584
MT300476-P1210120194 MT300476-P0610-S54654584
MT300476-S18018 242 MT300476-P0910-S51951584
MT300476-P0210-S16216242 MT300476-P1210-S481248584
MT300476-P0410-S14414242 MT300476-S72072 686
MT300476-P0610-S12612242 MT300476-P0610-S66666686
MT300476-P0810-S10810242 MT300476-P1210-S601260686
MT300476-P1010-S08108242 MT300476-P2410-S482448686
MT300476-P1210-S06126242 MT300476-P3610-S363636686
MT300476-P1410-S04144242 MT300476-S84084 782
MT300476-P1610-S02162242 MT300476-P1210-S721272782
MT300476-S24024 290 MT300476-P2410-S602460782
MT300476-P0410-S20420290 MT300476-P3610-S483648782
MT300476-P0610-S18618290 MT300476-S96096 878
MT300476-P1210-S121212290 MT300476-P1210-S841284878
MT300476-P1810-S06186290 MT300476-P2410-S722472878
MT300476-P2410240290 MT300476-P3610-S603660878
MT300476-S30030 338 MT300476-P4210-S544254878
MT300476-P0610-S24624338 MT300476-S1080108 980
MT300476-P1210-S181218338 MT300476-P1210-S961296980
MT300476-P1810-S121812338 MT300476-P2410-S842484980
MT300476-P2410-S06246338 MT300476-P3610-S723672980
MT300476-P3010300338 MT300476-P4810-S604860980

注:10A和 信号(5A)可以任意组合,详细请咨询客服。可在标准产品上进行非标定制,请咨询客服。

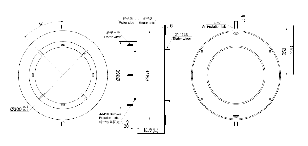
标准图纸

同系列更多产品参考:
获取产品3D图纸
X

经过多年的经验积累,K8凯发国际拥有20万多个产品3D图档数据库,
由于互联网的开放性和同行竞争,需要产品3D图档的客户请留下电子邮箱或者QQ。

审核完联系方式后,我们的系统将在5分钟内把3D自动发动到您的电子邮箱!