K8凯发国际

MZA099系列 转子法兰导电滑环
MZA099系列 转子法兰导电滑环
  • · MZA099系列转子法兰导电滑环是外径99mm的转子部分带连接法兰的一系列滑环的总称。
  • · 转子法兰滑环,可用于旋转工作台,电缆卷盘,包装设备 。
  • · 实心滑环,中心无通孔, 适用于法兰端面安装。
  • · 可以实现更多的路数和更大的电流。
  • · 内部走线和特殊屏蔽模块设计方便,更稳定可靠。
  • · 通常此类产品用于定制各类敏感信号或者编码器信号。

典型应用:

工业机器加工中心、旋转工作台、重型设备塔台、电缆卷盘、包装设备、磁性离合器、工艺控制设备、旋转传感器、紧急照明设备、机器人、展览/显示设备、医疗设备、旋转门等;

型号订购说明:


*比如MZA099-6B3-2D8, 其中6B3-2D8是指:6组3路20A(即18路20A)+2组1根CCLINK(3芯)电缆


技术规格参数
机械技术指标电气技术指标
参数数值参数数值
工作寿命1500W功率信号
额定转速1~300RPM额定电压0~380VAC/VDC0~380VAC/VDC
工作温度-30℃~80℃绝缘电阻≥500MΩ/1000VDC≥500MΩ/500VDC
工作湿度0~85% RH导线规格根据客户的选型模块而定根据客户的选型模块而定
接触材料贵金属导线长度标准长度300mm(可据要求调整)
壳体材料铝合金绝缘强度500VAC@50Hz,60s
转动扭矩0.1N.m;+0.03N.m/6路动态电阻变化值<0.01Ω
防护等级IP51



MZA099系列滑环模块编号表(长度L与模块数量和类型有关,请咨询销售)
A1: 2路10AB1: 3路10AC1: 2路普通信号C10: 1根2芯热电偶
A2: 2路15AB2: 3路15AC2: 3路普通信号C11: 1跟3芯PT100热电阻
A3: 2路20AB3: 3路20AC3: 1根电缆含(2路双绞线信号+带屏蔽)C12: RS422电缆(4芯+屏蔽)
A4: 2路30AB4: 3路30AC4: 1根电缆含(4路双绞线信号+带屏蔽)C13: RS485电缆(2芯+屏蔽)
A5: 2路50AB5: 3路50AC5: 1根电缆含(6路双绞线信号+带屏蔽)
A6: 2路80AB6: 3路80AC6: 1根电缆含(8路双绞线信号+带屏蔽)
A7: 2路100AB7: 3路100AC7: 1根电缆含(10路双绞线信号+带屏蔽)
A8: 2路150AB8: 3路150AC8: 1根电缆含(12路双绞线信号+带屏蔽)
A9: 2路200AB9: 3路200AC9: 1根电缆含(14路双绞线信号+带屏蔽)
D1: 1根EtherCAT以太网电缆E1: 1根100M以太网(4芯)电缆
D2: 1根DeviceNET电缆E2: 1根1000M以太网(8芯)电缆
D3: 1根Profinet(4芯)电缆E3: 1根USB2.0电缆
D4: 1根Profinet(8芯)电缆
D5: 1根Profibus电缆
D6: 1根CANbus电缆
D7: 1根CANopen电缆
D8: 1根CCLINK(3芯)电缆

标准长度L: 161.6mm, 182mm, 222.8mm, 298.4mm, 339.2mm, 414.8mm, 455.6mm

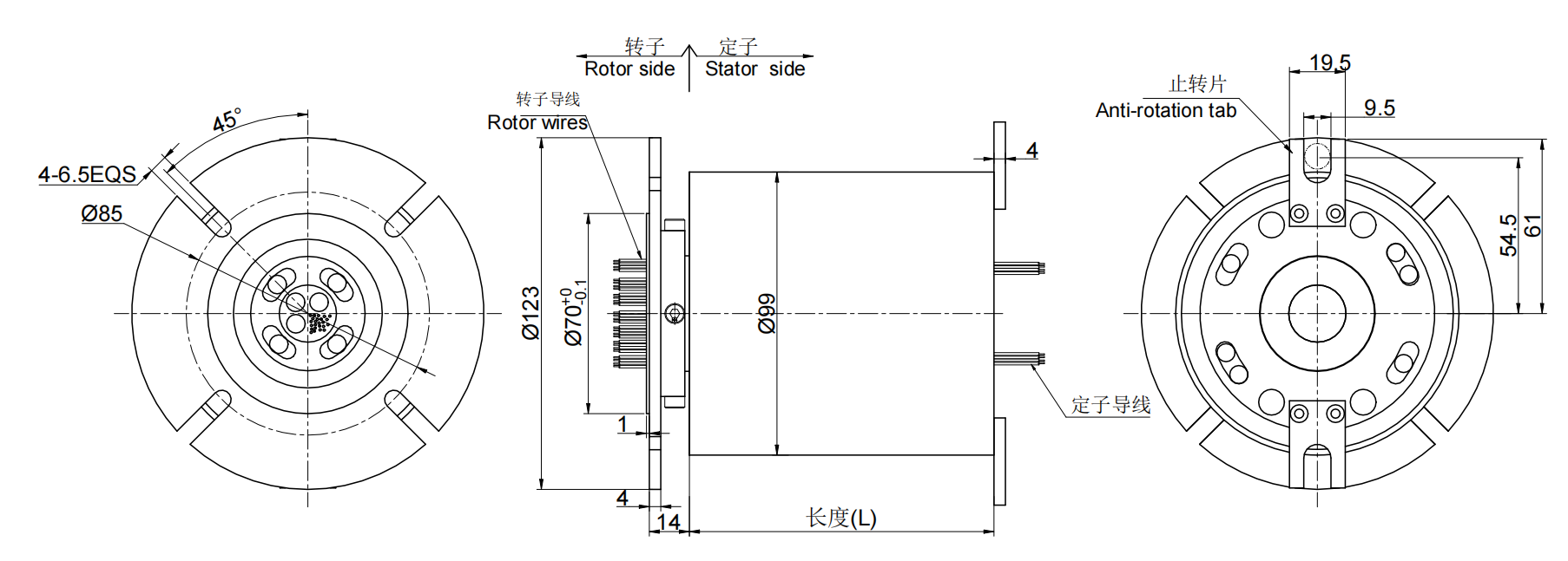
标准图纸


同系列更多产品参考:
获取产品3D图纸
X

经过多年的经验积累,K8凯发国际拥有20万多个产品3D图档数据库,
由于互联网的开放性和同行竞争,需要产品3D图档的客户请留下电子邮箱或者QQ。

审核完联系方式后,我们的系统将在5分钟内把3D自动发动到您的电子邮箱!