• K8凯发国际

    GT0729系列 微型过孔导电环
    GT0729系列 微型过孔式导电环
    • · 外径29mm, 通孔直径为7mm的标准系列整体式精密导电滑环。
    • · 采用先进的贵金属簇刷式多点接触,在极低的摩擦力下保证接触可靠。
    • · 标准化产品,有库存
    • · 镀金环+合金刷(镀金)
    • · 支持信号,功率混合传输
    • · 可基于标准型号定制电路数和电流电压
    • · 可定制各类过孔式导电环,微型过孔滑环等

    典型应用:

    微型过孔式导电环是现在工业滑环里面性价比最高,最畅销的一个系列产品,主要应用于360度陆续在旋转且需要保证电源,信号不能中断的场合:如各种雷达,安防设备,娱乐设备,各种机器人、机械手,各种浮空器,各种风力发电设备吹瓶机,灯检机,各种转台,游乐游艺设备,虚拟3D,VR设备, 车载卫星天线,船载卫星电线,电缆卷筒,擦窗机设备,旋转餐桌,旋转舞台,旋转屏幕,旋转餐厅,电动工程机械,最新的VR模拟仿真设备等。

    型号订购说明:


    技术参数
    机械技术指标电气技术指标
    参数数值参数数值
    工作寿命1亿转功率信号
    额定转速1~1800RPM额定电压0~240VAC/VDC0~240VAC/VDC
    工作温度-30℃~80℃绝缘电阻≥500MΩ/500VDC≥200MΩ/300VDC
    工作湿度0~85% RH导线规格AWG17#镀银铁氟龙AWG22#镀银铁氟龙
    接触材料贵金属导线长度标准长度300mm(可据要求调整)
    壳体材料工程塑料绝缘强度500VAC@50Hz,60s
    转动扭矩0.05N.m;+0.02N.m/6路动态电阻变化值<0.03Ω
    防护等级IP51



    GT0729系列过孔式滑环选型表
    型号10A信号或5A长度 L(mm)
    GT0729-S020230
    GT0729-P02102030
    GT0729-S030330
    GT0729-P03103030
    GT0729-S040430
    GT0729-P04104030
    GT0729-S060630
    GT0729-P0210-S032330
    GT0729-P06106043.8
    GT0729-S1201243.8
    GT0729-P0210-S092943.8
    GT0729-P0410-S064643.8
    GT0729-P0610-S036343.8
    GT0729-P08108043.8
    GT0729-S1801857.6
    GT0729-P0810-S068657.6
    GT0729-P1010-S0310357.6
    GT0729-P121012057.6

    注:如果特殊要求,请联系客服帮助快速选型, 支持定制

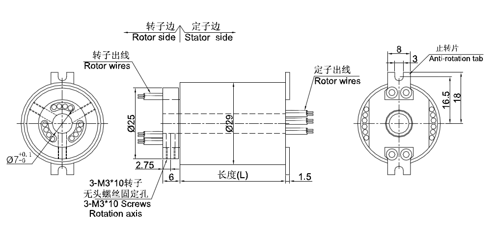
    标准图纸

    同系列更多产品参考:
    获取产品3D图纸
    X

    经过多年的经验积累,K8凯发国际拥有20万多个产品3D图档数据库,
    由于互联网的开放性和同行竞争,需要产品3D图档的客户请留下电子邮箱或者QQ。

    审核完联系方式后,我们的系统将在5分钟内把3D自动发动到您的电子邮箱!