K8凯发国际

MHF100系列 高频/同轴/波导 旋转接头
高频旋转接头
  • · MHF100系列单路高频滑环,高频旋转关节,同轴旋转关节是单通道高频旋转接头,高频滑环是专门为满足高速串行数字信号或模拟信号传输而开发的产品.最高传输速率可达30GHz。该系列产品支持单路或高频信号单独传输,也可非标定制高频信号与24V控制信号、通讯信号、动力电源、流体介质混合传输, 见MHF108系列。
  • 典型应用:
  • · 军用雷达天线、多轴式三维空间模拟器
  • · 带有射频信号的天线转台、支持1080P、1080I等HD-SDI的高清转台
  • · 支持1080P、1080I等HD-SDI的多功能一体机(高速球)

典型应用:

高频/同轴/波导旋转接头以前主要用于军工领域,随着军民融合政策的逐步落地, 民用产品也越来越多用到高频滑环等系列产品,主要应用于360度陆续在旋转且需要保证电源,高频波导信号不能中断的场合:如各种军用雷达,船载卫星通信装置,车载卫星通信设备,卫星车,应急救灾指挥车,高端机器人、车辆上的转动炮塔、远程控制系统、雷达天线、医疗系统、视频监视系统、保障国家或国际安全系统海底作业系统、紧急照明设备、机器人、展览/显示设备等;

高频滑环型号订购说明:

技术规格参数
机械技术指标
参数数值
工作寿命500万转
额定转速100RPM
工作温度-30℃~80℃
工作湿度0~85% RH
接触材料金-金
壳体材料不锈钢
转动扭矩0.1N.m;+0.03N.m/6路
防护等级IP51


MHF100 - 1通道高频旋转关节选型表
型号高频通道频率接头类型特性阻抗插入损耗驻波比VSWR驻波比波动
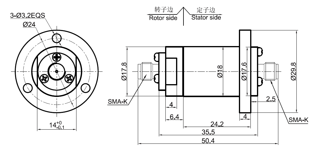
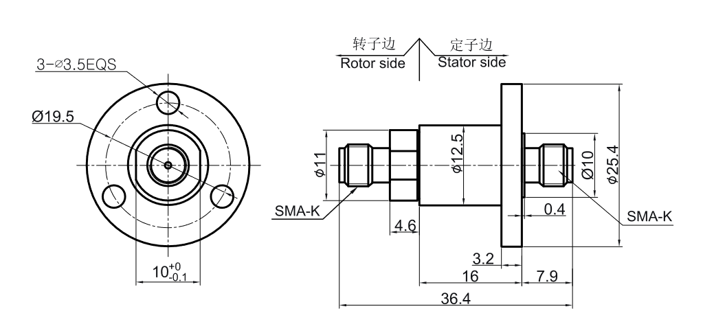
MHF100-SMA-30G1DC-30GHzSMA接头50欧姆0.3db<1.3≤0.05
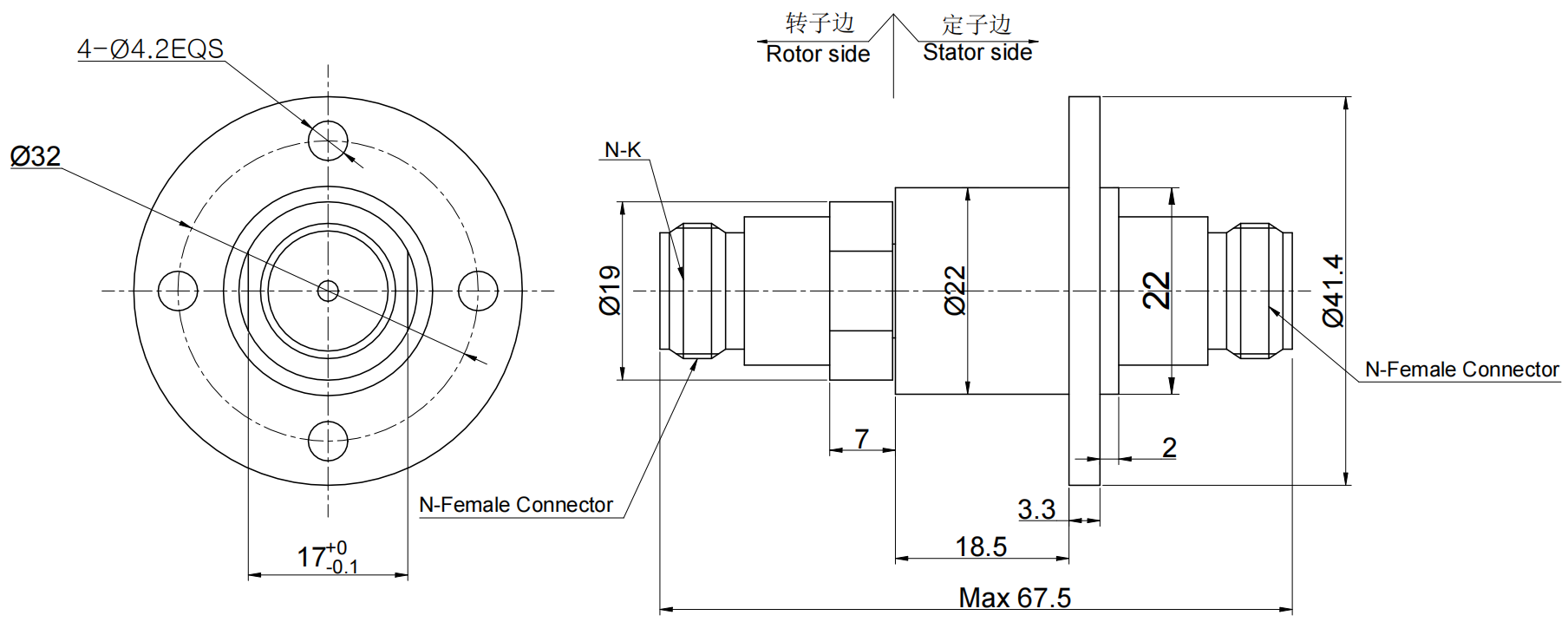
MHF100-N-12G1DC-12GHzN接头50欧姆0.3db<1.3≤0.05
MHF100-W50-3G1DC-3GHz同轴电缆RG17850欧姆0.3db<1.3≤0.05
MHF100-W75-3G1DC-3GHz同轴电缆RG17975欧姆0.3db<1.3≤0.05
MHF100-SMA-18G1DC-18GHzSMA接头50欧姆0.3db<1.3≤0.05


MHF100-SMA-30G图外形尺寸图


MHF100-SMA-18G外形尺寸图


MHF100-N-12G外形尺寸图


MHF100-W50-3G/MHF100-W75-3G外形尺寸图


同系列更多产品参考:
获取产品3D图纸
X

经过多年的经验积累,K8凯发国际拥有20万多个产品3D图档数据库,
由于互联网的开放性和同行竞争,需要产品3D图档的客户请留下电子邮箱或者QQ。

审核完联系方式后,我们的系统将在5分钟内把3D自动发动到您的电子邮箱!