• K8凯发国际

    MHF208系列 高频/同轴/波导 旋转接头
    MHF208系列 高频/同轴/波导 旋转接头
    • · 2通道高频旋转关节 + 电组合滑环
    • · MHF208系列2通道高频滑环,可组合功率,信号是专门为满足高速串行数字信号或模拟信号传输而开发的产品.最高传输速率可达40GHz。
    • · 该系列产品支持单路高频信号单独传输,也可支持高频信号与24V控制信号、通讯信号、动力电源、流体介质混合传输。
    • · 高频信号采用的是50Ω特性阻抗射频同轴结构头。(其他指定接插件可转接,导线规格RG178、RG316、RG174等可选)

    典型应用:

    高频/同轴/波导旋转接头以前主要用于军工领域,随着军民融合政策的逐步落地, 民用产品也越来越多用到高频滑环等系列产品,主要应用于360度陆续在旋转且需要保证电源,高频波导信号不能中断的场合:如各种军用雷达,船载卫星通信装置,车载卫星通信设备,卫星车,应急救灾指挥车,高端机器人、车辆上的转动炮塔、远程控制系统、雷达天线、医疗系统、视频监视系统、保障国家或国际安全系统海底作业系统、紧急照明设备、机器人、展览/显示设备等;

    型号订购说明:

    技术规格参数
    高频部分技术指标机械技术指标
    参数第一通道第二通道参数数值
    频率0~4.5GHz0~4.5GHz工作寿命500万转
    额定功率20W20W额定转速150RPM
    驻波比VSWR<1.3<1.3工作温度-30℃~80℃
    插入损耗0.3db0.3db工作湿度0~85% RH
    驻波比VSWR波动<0.05<0.05接触材料金-金
    插入损耗波动0.05db0.05db壳体材料铝合金
    接头类型SMASMA转动扭矩0.1N.m;+0.03N.m/6路
    特性阻抗50Ω50Ω防护等级IP51
    电气技术指标
    参数数值
    功率信号
    额定电压0~440VAC/VDC0~240VAC/VDC
    绝缘电阻≥1000MΩ/500VDC≥1000MΩ/500VDC
    导线规格AWG16#镀锡铁氟龙AWG22#镀锡铁氟龙
    导线长度标准长度300mm(可据要求调整)
    绝缘强度500VAC@50Hz,60s
    动态电阻变化值<0.01Ω


    MHF208 - 2通道高频+电组合滑环选型表
    型号高频
    通道
    频率10A信号
    或5A
    长度L
    (mm)
    型号高频
    通道
    频率10A信号
    或5A
    长度
    L(mm)
    MHF208-S02 24.5GHz/每通道0 2 31.6MHF208-P1210-S1224.5GHz/每通道 12 12106.4
    MHF208-P021024.5GHz/每通道 2 031.6MHF208-P1810-S0624.5GHz/每通道 186106.4
    MHF208-S0324.5GHz/每通道0 3 35MHF208-P241024.5GHz/每通道 24 0106.4
    MHF208-P031024.5GHz/每通道 3 0 35MHF208-S3024.5GHz/每通道0 30 126.8
    MHF208-S0624.5GHz/每通道06 45.2MHF208-P0610-S2424.5GHz/每通道 6 24126.8
    MHF208-P0210-S0424.5GHz/每通道 2 445.2MHF208-P1210-S1824.5GHz/每通道 12 18126.8
    MHF208-P0410-S0224.5GHz/每通道 4 245.2MHF208-P1810-S1224.5GHz/每通道 18 12126.8
    MHF208-P061024.5GHz/每通道 6045.2MHF208-P2410-S0624.5GHz/每通道 246126.8
    MHF208-S1224.5GHz/每通道0 12 65.6MHF208-P301024.5GHz/每通道 30 0126.8
    MHF208-P0210-S1024.5GHz/每通道 2 1065.6MHF208-S3624.5GHz/每通道 0 36 147.2
    MHF208-P0310-S0924.5GHz/每通道 3 965.6MHF208-P0610-S3024.5GHz/每通道 6 30147.2
    MHF208-P0610-S0624.5GHz/每通道 6665.6MHF208-P1210-S2424.5GHz/每通道 12 24147.2
    MHF208-P0810-S0424.5GHz/每通道 8 465.6MHF208-P361024.5GHz/每通道 36 0147.2
    MHF208-P1010-S0224.5GHz/每通道 10 265.6MHF208-S4224.5GHz/每通道0 42 167.6
    MHF208-P121024.5GHz/每通道 12065.6MHF208-P0610-S3624.5GHz/每通道 6 36167.6
    MHF208-S1824.5GHz/每通道0 18 86MHF208-P1210-S3024.5GHz/每通道 12 30167.6
    MHF208-P0210-S1624.5GHz/每通道 2 1686MHF208-S4824.5GHz/每通道0 48 188
    MHF208-P0410-S1424.5GHz/每通道 4 1486MHF208-P0610-S4224.5GHz/每通道 6 42188
    MHF208-P0610-S1224.5GHz/每通道 6 1286MHF208-P0910-S3924.5GHz/每通道 9 39188
    MHF208-P0810-S1024.5GHz/每通道 8 1086MHF208-P1210-S3624.5GHz/每通道 12 36188
    MHF208-P1010-S0824.5GHz/每通道 10 886MHF208-P1810-S3024.5GHz/每通道 18 30188
    MHF208-P1210-S0624.5GHz/每通道 12686MHF208-P2410-S2424.5GHz/每通道 24 24188
    MHF208-P1410-S0424.5GHz/每通道 14 486MHF208-S6024.5GHz/每通道0 60 238.8
    MHF208-P1610-S0224.5GHz/每通道 16 286MHF208-P0610-S5424.5GHz/每通道 6 54238.8
    MHF208-S2424.5GHz/每通道0 24 106.4MHF208-P0910-S5124.5GHz/每通道 9 51238.8
    MHF208-P0410-S2024.5GHz/每通道 4 20106.4MHF208-P1210-S4824.5GHz/每通道 12 48238.8
    MHF208-P0610-S1824.5GHz/每通道 6 18106.4MHF208-S7224.5GHz/每通道 0 72238.8

    注:N个10A 电流环并起来可作为1路N*10A电流环使用;比如: 2环10A 并起来做作为 1路20A 使用。
    2通道高频滑环,可组合功率,信号环数,电流大小可定制,需要选型帮助请联系客服。

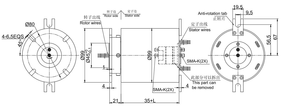
    标准图纸
    同系列更多产品参考:
    获取产品3D图纸
    X

    经过多年的经验积累,K8凯发国际拥有20万多个产品3D图档数据库,
    由于互联网的开放性和同行竞争,需要产品3D图档的客户请留下电子邮箱或者QQ。

    审核完联系方式后,我们的系统将在5分钟内把3D自动发动到您的电子邮箱!