• K8凯发国际

    MHF300系列 高频/同轴/波导 旋转接头
    MHF300系列 高频/同轴/波导 旋转接头
    • · 3通道高频旋转关节
    • · MHF300系列3通道高频旋转关节,3进3出同轴旋转接头,每个通道的最高频率2.5Ghz, 高频滑环是专门为满足高速串行数字信号或模拟信号传输而开发的产品。可选项: 可混合电源功率,24V控制信号、通讯信号、动力电源、流体空气水等介质的混合滑环

    典型应用:

    高频/同轴/波导旋转接头以前主要用于军工领域,随着军民融合政策的逐步落地, 民用产品也越来越多用到高频滑环等系列产品,主要应用于360度陆续在旋转且需要保证电源,高频波导信号不能中断的场合:如各种军用雷达,船载卫星通信装置,车载卫星通信设备,卫星车,应急救灾指挥车,高端机器人、车辆上的转动炮塔、远程控制系统、雷达天线、医疗系统、视频监视系统、保障国家或国际安全系统海底作业系统、紧急照明设备、机器人、展览/显示设备等;

    型号订购说明:

    技术规格参数
    机械技术指标旋转关节指标
    参数数值参数第一通道第二通道第三通道
    工作寿命500万转插入损耗<0.5<0.5<0.5
    额定转速100RPM插入损耗波动<0.05<0.05<0.05
    工作温度-30℃~80℃驻波比<1.3<1.3<1.3
    工作湿度0~85% RH驻波比波动<0.05<0.05<0.05
    接触材料金-金平均功率50W15W15W
    壳体材料不锈钢
    转动扭矩0.1N.m;+0.03N.m/6路
    防护等级IP51


    MHF300 - 3通道高频旋转关节选型表
    型号高频通道频率接头类型
    MHF300-SMA-4.5G32.5GHz/每通道SMA接头


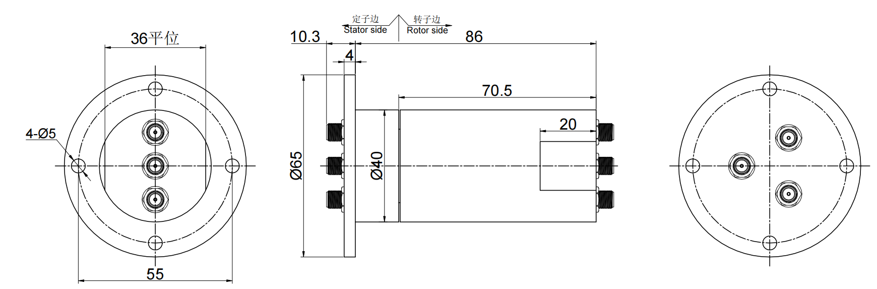
    标准图纸
    同系列更多产品参考:
    获取产品3D图纸
    X

    经过多年的经验积累,K8凯发国际拥有20万多个产品3D图档数据库,
    由于互联网的开放性和同行竞争,需要产品3D图档的客户请留下电子邮箱或者QQ。

    审核完联系方式后,我们的系统将在5分钟内把3D自动发动到您的电子邮箱!