K8凯发国际

MHF109系列 高频/同轴/波导 旋转接头
MHF109系列 高频/同轴/波导 旋转接头
  • · 1通道高频旋转关节 + 电组合滑环
  • · MHF109系列高频电气滑环,高频电刷是专门为满足高速串行数字信号或模拟信号传输而开发的产品.最高传输速率可达40GHz。
  • · 该系列产品支持单路高频信号单独传输,也可支持高频信号与24V控制信号、通讯信号、动力电源、流体介质混合传输。
  • · 高频信号采用的是50Ω特性阻抗射频同轴结构头。(其他指定接插件可转接,导线规格RG178、RG316、RG174等可选)

典型应用:

高频/同轴/波导旋转接头以前主要用于军工领域,随着军民融合政策的逐步落地, 民用产品也越来越多用到高频滑环等系列产品,主要应用于360度陆续在旋转且需要保证电源,高频波导信号不能中断的场合:如各种军用雷达,船载卫星通信装置,车载卫星通信设备,卫星车,应急救灾指挥车,高端机器人、车辆上的转动炮塔、远程控制系统、雷达天线、医疗系统、视频监视系统、保障国家或国际安全系统海底作业系统、紧急照明设备、机器人、展览/显示设备等;

型号订购说明:

技术规格参数
高频部分技术指标机械技术指标
参数数值参数数值
频率0~30GHz工作寿命500万转
额定功率20W额定转速150RPM
驻波比VSWR<1.3工作温度-30℃~80℃
插入损耗0.3db工作湿度0~85% RH
驻波比VSWR波动<0.05接触材料金-金
插入损耗波动0.05db壳体材料铝合金
接头类型SMA转动扭矩0.1N.m;+0.03N.m/6路
特性阻抗50Ω防护等级IP51
电气技术指标
参数数值
功率信号
额定电压0~690VAC/VDC0~440VAC/VDC
绝缘电阻≥1000MΩ/500VDC≥1000MΩ/500VDC
导线规格AWG16#镀锡铁氟龙AWG22#镀锡铁氟龙
导线长度标准长度300mm(可据要求调整)
绝缘强度500VAC@50Hz,60s
动态电阻变化值<0.01Ω


MHF109 - 单通道高频+电组合滑环选型表
型号高频
通道
频率10A信号
或5A
长度L
(mm)
型号高频
通道
频率10A信号
或5A
长度
L(mm)
MHF109-S021DC-30GHz0 2 31.6MHF109-P1210-S121DC-30GHz 12 12106.4
MHF109-P02101DC-30GHz 2 031.6MHF109-P1810-S061DC-30GHz 186106.4
MHF109-S031DC-30GHz0 3 35MHF109-P24101DC-30GHz 24 0106.4
MHF109-P03101DC-30GHz 3 0 35MHF109-S301DC-30GHz0 30 126.8
MHF109-S061DC-30GHz06 45.2MHF109-P0610-S241DC-30GHz 6 24126.8
MHF109-P0210-S041DC-30GHz 2 445.2MHF109-P1210-S181DC-30GHz 12 18126.8
MHF109-P0410-S021DC-30GHz 4 245.2MHF109-P1810-S121DC-30GHz 18 12126.8
MHF109-P06101DC-30GHz 6045.2MHF109-P2410-S061DC-30GHz 246126.8
MHF109-S121DC-30GHz0 12 65.6MHF109-P30101DC-30GHz 30 0126.8
MHF109-P0210-S101DC-30GHz 2 1065.6MHF109-S361DC-30GHz 0 36 147.2
MHF109-P0310-S091DC-30GHz 3 965.6MHF109-P0610-S301DC-30GHz 6 30147.2
MHF109-P0610-S061DC-30GHz 6665.6MHF109-P1210-S241DC-30GHz 12 24147.2
MHF109-P0810-S041DC-30GHz 8 465.6MHF109-P36101DC-30GHz 36 0147.2
MHF109-P1010-S021DC-30GHz 10 265.6MHF109-S421DC-30GHz0 42 167.6
MHF109-P12101DC-30GHz 12065.6MHF109-P0610-S361DC-30GHz 6 36167.6
MHF109-S181DC-30GHz0 18 86MHF109-P1210-S301DC-30GHz 12 30167.6
MHF109-P0210-S161DC-30GHz 2 1686MHF109-S481DC-30GHz0 48 188
MHF109-P0410-S141DC-30GHz 4 1486MHF109-P0610-S421DC-30GHz 6 42188
MHF109-P0610-S121DC-30GHz 6 1286MHF109-P0910-S391DC-30GHz 9 39188
MHF109-P0810-S101DC-30GHz 8 1086MHF109-P1210-S361DC-30GHz 12 36188
MHF109-P1010-S081DC-30GHz 10 886MHF109-P1810-S301DC-30GHz 18 30188
MHF109-P1210-S061DC-30GHz 12686MHF109-P2410-S241DC-30GHz 24 24188
MHF109-P1410-S041DC-30GHz 14 486MHF109-S601DC-30GHz0 60 238.8
MHF109-P1610-S021DC-30GHz 16 286MHF109-P0610-S541DC-30GHz 6 54238.8
MHF109-S241DC-30GHz0 24 106.4MHF109-P0910-S511DC-30GHz 9 51238.8
MHF109-P0410-S201DC-30GHz 4 20106.4MHF109-P1210-S481DC-30GHz 12 48238.8
MHF109-P0610-S181DC-30GHz 6 18106.4MHF109-S721DC-30GHz 0 72238.8

注:N个10A 电流环并起来可作为1路N*10A电流环使用;比如: 2环10A 并起来做作为 1路20A 使用。
高频电气滑环,高频电刷环数,电流大小可定制,需要选型帮助请联系客服。

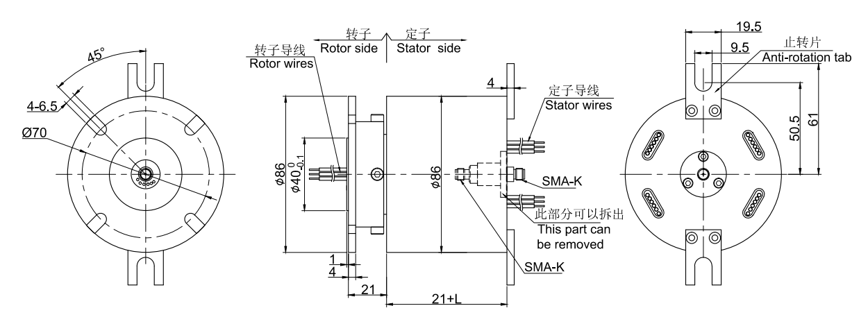
标准图纸
同系列更多产品参考:
获取产品3D图纸
X

经过多年的经验积累,K8凯发国际拥有20万多个产品3D图档数据库,
由于互联网的开放性和同行竞争,需要产品3D图档的客户请留下电子邮箱或者QQ。

审核完联系方式后,我们的系统将在5分钟内把3D自动发动到您的电子邮箱!